12-01-2014, 11:55
Hallo, hier im Forum scheinen ja sehr kompetente Leute unterwegs zu sein - daher mein Hilfegesuch an Euch:
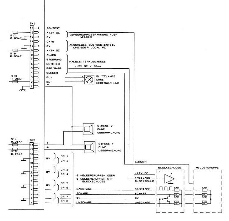
Ich habe hier eine 1994 installierte eff eff 50-AB8, bei der die Errichterfirma schlicht die Dokumentation unterschlagen hat, um sich einen lebenslangen "Wartungsvertrag" zu sichern.
Schleife 5 und 6 scheinen bei der Anlage unterbrochen zu sein. Um alles nachmessen zu können muss ich allerdings wissen, wo die Schleife 5 und 6 angeklemmt sind.
Dummerweise trägt das Board nur Nummern und sonst nichts.
Die Bedienungsanleitung der 100-AB8, die ich hier habe hilft mir leider gar nicht weiter, da die Anlagen grundlegend anders sind.
Die heutige page der offenbar von der Krake Honeywell aufgekauften eff eff ist eine Servicewüste. Habt Ihr eine Idee, wo ich was schriftliches zu der Anlage finden kann?
Schon mal vielen Dank im Voraus
Martin
Ich habe hier eine 1994 installierte eff eff 50-AB8, bei der die Errichterfirma schlicht die Dokumentation unterschlagen hat, um sich einen lebenslangen "Wartungsvertrag" zu sichern.
Schleife 5 und 6 scheinen bei der Anlage unterbrochen zu sein. Um alles nachmessen zu können muss ich allerdings wissen, wo die Schleife 5 und 6 angeklemmt sind.
Dummerweise trägt das Board nur Nummern und sonst nichts.
Die Bedienungsanleitung der 100-AB8, die ich hier habe hilft mir leider gar nicht weiter, da die Anlagen grundlegend anders sind.
Die heutige page der offenbar von der Krake Honeywell aufgekauften eff eff ist eine Servicewüste. Habt Ihr eine Idee, wo ich was schriftliches zu der Anlage finden kann?
Schon mal vielen Dank im Voraus
Martin

