Hallo zusammen,
ich bin neu hier und finde die Infos, die man hier bekommt echt klasse. Aktuell bin ich bei der Planung meiner Alarmanlage und durch sehr viel lesen haben sich schon fast alle meine Fragen beantwortet.
Allerdings habe ich noch eine Frage zur Verschaltung der Melder. Wie ich bis jetzt herauslesen konnte, kommen die Widerstände normalerweise
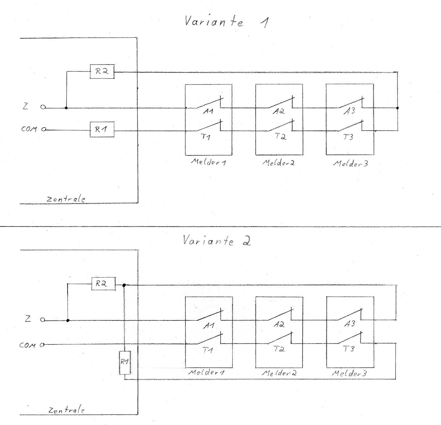
in die UP-Dosen bzw. in die Aufputzmelder. Da man bei mir an einigen Stellen nach der Installation nicht mehr ohne weiteres dran kommt, bei einem evtl. defekt des Widerstandes, würde ich die Widerstände gerne in der Zentrale platzieren und nach 2EOL/NC verschalten. Dazu habe ich 2 verschiedene Varianten gezeichnet. Wobei bei der 2. Version 4 Adern benötigt werden und bei der 1. Version jeweils 1 Ader eingespart werden kann, was sich bei 4 Linien schon rechnet.
Wie ist es richtig?
[
attachment=1669]
Ich geb dann mal kurz zu bedenken;
Die DEOL Verdrahtung wäre eigentlich dafür gedacht durch die kombinierte Verschaltung von Alarm- und Sabotagekontakt die Manipulation der Verkabelung zu verhindern. Das führt aber sinngemäß nur dann zum gezielten Erfolg wenn die Widerstände direkt im Melder oder zumindest in der nächsten Klemmdose verbaut werden. Natürlich mit dem ++ Nebeneffekt das man sich gleichzeitig die zwei Drähte für die Saboleitung erspart.
Weis nicht ob das überhaupt schon jemand erlebt hat, dass ein DEOL Widerstand schlapp gemacht hat. Ich auf jeden Fall nicht.
(17-01-2016 12:32)Capo schrieb: [ -> ]...würde ich die Widerstände gerne in der Zentrale platzieren und nach 2EOL/NC verschalten....
Du hast den Sinn der DEOL-Verdrahtung absolut nicht verstanden. Wie evertech schon schrieb, wären die Widerstände in der Zentrale völlig sinnlos. Dann kannst Du gleich NC-Verdrahtung ohne Sabotageüberwachung machen und die Widerstände weglassen.
Das ein Widerstand, der völlig belastungsfrei seine Arbeit tut, jemals seinen Geist aufgibt, kann ich auch nicht glauben.
Widerstandsdefekt war auch nur als Beispiel gedacht.
Wenn man ein paar Melder in Reihe zusammenschließt, wären die Widerstände auch nur in der letzten UP-Dose und nicht in jeder Dose, oder?
Und zwischen den Dosen bräuchte man auch 3 Adern, richtig?
Natürlich hast du recht, das man zur Zentrale dann nur 2 Adern braucht, aber worin besteht der Unterschied, ob man die Widerstände in die Dose setzt oder direkt in die Zentrale. Der elektrische Anschluss wäre bei entsprechender Aderanzahl der gleiche, nur dass man mehr Leitung braucht und eine Manipulation müsste in allen Fällen gleichermaßen erkannt werden, oder?
(17-01-2016 14:06)Capo schrieb: [ -> ]...und eine Manipulation müsste in allen Fällen gleichermaßen erkannt werden, oder?
Nein, eben nicht.
Es gibt hier genügend Beiträge zur DEOL-Verdrahtung und der richtigen Anwendung.
Liegen die Widerstände in der Zentrale, wird z. B. ein Kurzschluss der beiden Adern, die zum Öffnungskontakt führen nicht bemerkt. Und bei aktiver Anlage demzufolge auch kein Alarm ausgelöst, wenn der Kontakt öffnet.
OK, jeder Alarmkontakt braucht seinen eigenen parallelen Widerstand und dann einer am Ende in Reihe als Abschlusswiderstand.
(17-01-2016 13:34)evertech schrieb: [ -> ]Ich geb dann mal kurz zu bedenken;
Die DEOL Verdrahtung wäre eigentlich dafür gedacht durch die kombinierte Verschaltung von Alarm- und Sabotagekontakt die Manipulation der Verkabelung zu verhindern. Das führt aber sinngemäß nur dann zum gezielten Erfolg wenn die Widerstände direkt im Melder oder zumindest in der nächsten Klemmdose verbaut werden.
Könnt ihr mir mal bitte erklären was es für einen unterschied macht, wenn man die Widerstände so dicht wie möglich an den Melder setzt oder mit Leitung 1 zu 1 verbunden erst in 20m Entfernung?
Mal davon ab gesehn, dass es mehr Kabelweg für eine Manipulation gibt und man mehr Kabel braucht.
(17-01-2016 14:13)Alarmservice-Hamburg schrieb: [ -> ]Liegen die Widerstände in der Zentrale, wird z. B. ein Kurzschluss der beiden Adern, die zum Öffnungskontakt führen nicht bemerkt. Und bei aktiver Anlage demzufolge auch kein Alarm ausgelöst, wenn der Kontakt öffnet.
Das gleiche gilt doch auch auf dem Weg vom Melder bis zu der Stelle, wo die Widerstände sitzen, richtig? Wenn die Widerstände weiter weg sind, muss man schon den Kabelweg kennen?
Wenn der Widerstand in der Zentrale liegt, legt ein Kurzschluss alle Melder lahm. Liegt der Widerstand im Endverteiler kann bei ordentlicher Verdrahtung nur ein Melder lahmgelegt werden, wenn jedoch versucht wird, die komplette Meldelinie lahm zu legen, wird dies durch die Zentrale erkannt, weil der Widerstand nicht mehr stimmt.
Korrekterweise gehört in jeden Melder ein Widerstand, die Zentrale muss aber damit umgehen können. Die Zentralen haben eine gewisse Toleranz, um keine Fehlalarme zu produzieren. Manchmal kann man diese Toleranz einstellen.
Im Idealfall nimmt man heute eine Meldelinie pro Melder, wobei man logische Einheiten (Magnetkontakte oder Glasbruchmelder eines Doppelflügelfensters) zusammenfassen kann. Bewegungsmelder nimmt man einzeln. Die heutigen Zentralen haben genug Meldelinien oder sind entsprechend erweiterbar dafür.
@capo
Nicht alles in Frage stellen, was in einschlägigen Vorschriften und über die Jahre mühsam erarbeitet wurde und einfach denken und verstehen.
Es ist einfach, im Forum nachzuhaken und diesselbe Frage mehrfach zu stellen.
Male ein Bild auf und zeichne Entfernungsangaben ein. Dann mache einen Schnitt an beliebiger Stelle und dann kann man verstehen, warum das so ist.
Wenn es dann noch nicht klingelt, solltest du von Selbstinstallation die Finger lassen.
Dann bist du dazu nicht bereit.
(18-01-2016 00:06)funkistnichtalles schrieb: [ -> ]@capo
Nicht alles in Frage stellen, was in einschlägigen Vorschriften und über die Jahre mühsam erarbeitet wurde und einfach denken und verstehen.
Es ist einfach, im Forum nachzuhaken und diesselbe Frage mehrfach zu stellen.
Male ein Bild auf und zeichne Entfernungsangaben ein. Dann mache einen Schnitt an beliebiger Stelle und dann kann man verstehen, warum das so ist.
Wenn es dann noch nicht klingelt, solltest du von Selbstinstallation die Finger lassen.
Dann bist du dazu nicht bereit.
Wer nicht nach denkt und nichts verbessern will, hat schon verloren. Solche Leute sollten auch keine Kommentare von sich geben und ihr nichtssagen für sich behalten.
Wenn jeder so denkt und immer nur das macht "weil es schon immer so gemacht wurde", dann wären wir noch in der Steinzeit und hätten auch keine Luxusprobleme wie Alarmanlagen.

Hallo
(18-01-2016 13:31)Capo schrieb: [ -> ]Wer nicht nach denkt
Ja, richtig. Bitte nachdenken, bevor du solche Kommentare schreibst. Damit outest du dich gerade als komplett unwissend.
Zitat:und nichts verbessern will,
Also es gibt nicht zu verbessern.
Wenn die es 100% richtig machen möchtest, dann gehören die Widerstände direkt an die Kontakte,
Wenn du nur 50% Schutz möchtest, kannnst du sie in die Mitte packen,
Und wenn du keinen (0%) Schutz möchtest packe Sie direkt in die Zentrale.
Gerne kannst du uns in deinem 5. Beitrag die Welt, erklären, warum all die Erfahrungen die gemacht wurden nicht gelten.
Und aus dem Wort weiterentwicklung, geht doch schon hervort, das es etwas gibt, das super funktioniert und sachlich richtig ist.
Zitat:Solche Leute sollten auch keine Kommentare von sich geben
Das find ich, ist ein bösartiger und sehr arroganter Kommentar von Dir.
Wenn es Dir hier nicht gefällt, darf du dich auch gerne woanders informieren.
Wir werden versuchen auf deine Mitarbeit zu verzichten.
Gruß Tim
3 unterschiedliche Leute haben versucht, zu erklären, warum es so zu sein hat.
Capo hats nicht kapiert.
Ich verstehe manche Sachen auch nicht zu 100 %, verlasse mich dann aber auf die Fachleute, die mir das Richtige raten.
Darauf kommt es an und so dreht sich die welt auch weiter.
Wenn capo alles könnte, braucht die Welt ihn und er nicht uns.
Da es aber gerade andersrum ist, sollte man auf die Fachleute einfach nur mal hören.
So wird ein Schuh draus.
Wenn er es verstehen will, so soll er eine Ausbildung machen.

Der Lehrmeister wird ihm die entsprechenden Takte dann schon flöten.
