|
AZWG10020 und AZ4000 1 SMS bei Einbruch
|
|
23-04-2019, 23:26
Beitrag: #1
|
|||
|
|||
|
AZWG10020 und AZ4000 1 SMS bei Einbruch
Willkommen. Brauche bitte dringend eure Hilfe. Vorhaben wäre 1 SMS bei Einbruch in die jeweilige Zone. Von den 8 Zonen führt 1 Ader zu Eingang A-H. MfG willi7862
|
|||
|
24-04-2019, 07:44
Beitrag: #2
|
|||
|
|||
RE: AZWG10020 und AZ4000 1 SMS bei Einbruch
(23-04-2019 23:26)willi7862 schrieb: Von den 8 Zonen führt 1 Kabel zu Eingang A-H.Hallo Das Problem ist, dass Abus nicht spezifiziert, welche Spannungen an den Zoneneingängen CCT1-CCT8 anliegt. Es ist eigentlich nicht vorgesehen, dass man die Zoneneingänge der Zentrale mit den Eingängen A-H des Wähögerätes verbindet. Du könntest aber probieren, ob es trotzdem funktioniert: - die Alarmeingänge der AZ4000 sollten nicht nach Deol verdrahtet sein, Wert 021 auf 00 stellen(NC+Sabo). - die Verdrahtung zwischen den Alarmeingängen der Zentrale(CCT1-CCT8) und den Eingängen A-H muss wie auf Seite 17 oben in der Installationsanleitung des Wählgerätes mit positiver Ansteuerung und NC-Verdrahtung gemacht werden. - Im Wählgerät muss die Triggerpolarität auf Positiv gestellt werden. mfg Sektionschef Abus Terxon SX+SG1800+BW8010+Monacor AS362 Jablotron Oasis80(JA-84)+JA-83M+JA-83P+JA-80PB+JA-81F+JA-80L Instar IN-5907HD |
|||
|
24-04-2019, 09:54
Beitrag: #3
|
|||
|
|||
|
RE: AZWG10020 und AZ4000 1 SMS bei Einbruch
Die Linienspannung ist irrelevant, wenn Wählgerät und Zentrale die gleiche Spannungspotentiale hat. Einen Ruhewiderstand auf die Meldelinie des Wählgerätes auflegen und dazu das geschaltete Potential von der Zentrale als Auslöser.
Satel Videotutorials: https://www.youtube.com/c/aslademcogmbh |
|||
|
24-04-2019, 11:51
Beitrag: #4
|
|||
|
|||
|
RE: AZWG10020 und AZ4000 1 SMS bei Einbruch
Danke für die Antworten. @Sektionschef Dein Vorschlag scheint aufwendiger zu sein. @Animal Wohin der Widerstand. Welche Einstellung an der Zentrale. MfG willi7862
|
|||
|
24-04-2019, 13:16
Beitrag: #5
|
|||
|
|||
|
RE: AZWG10020 und AZ4000 1 SMS bei Einbruch
Die Stromversorgung am Wählgerät an OP2 und 12V AUX. Bei Einbruch geht das Gerät in Betrieb registriert und versendet die SMS. MfG willi7862
|
|||
|
24-04-2019, 14:17
Beitrag: #6
|
|||
|
|||
RE: AZWG10020 und AZ4000 1 SMS bei Einbruch
(24-04-2019 13:16)willi7862 schrieb: Die Stromversorgung am Wählgerät an OP2 und 12V AUX. Bei Einbruch geht das Gerät in Betrieb registriert und versendet die SMS.Hast Du das schon erfolgreich ausprobiert oder ist es dein Wunsch, das Wählgerät so zu betreiben? Wie ich es verstehe ist das WG eigentlich so konzipiert, dass es ständig mit 12V versorgt werden sollte. Ich habe leider kein WG und kann dir daher nicht sagen, ob es auch nur im Alarmfall (per OP2 einschalten) betreibbar ist. Auf jeden Fall musst du im Alarmfall auch die Hochlaufzeit des WG bedenken bis es im GSM Netz eingebucht ist. Muss man halt ausprobieren. mfg Sektionschef Abus Terxon SX+SG1800+BW8010+Monacor AS362 Jablotron Oasis80(JA-84)+JA-83M+JA-83P+JA-80PB+JA-81F+JA-80L Instar IN-5907HD |
|||
|
24-04-2019, 15:38
Beitrag: #7
|
|||
|
|||
|
RE: AZWG10020 und AZ4000 1 SMS bei Einbruch
Danke für die Antwort. Nein werde es nicht ausprobieren da ich nicht weiß in wie weit sich die Verpolung auswirkt. MfG willi7862
|
|||
|
24-04-2019, 18:09
Beitrag: #8
|
|||
|
|||
|
RE: AZWG10020 und AZ4000 1 SMS bei Einbruch
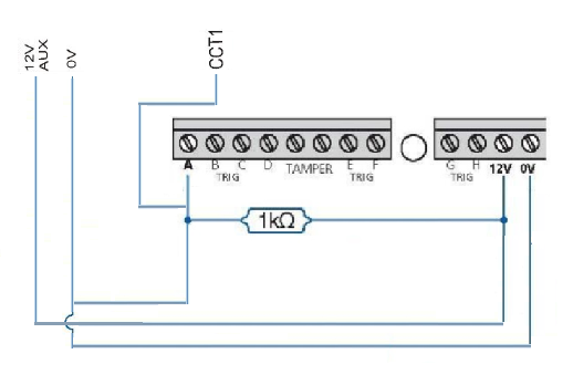
@Animal Du meinst einen Widerstand zwischen CCT1 und A setzen. MfG willi7862
|
|||
|
25-04-2019, 16:04
Beitrag: #9
|
|||
|
|||
RE: AZWG10020 und AZ4000 1 SMS bei Einbruch
![]() die 0V von der Zentrale für Benachrichtigung wegschalten (bei NC-Programmierung des Eingangs "A") Die 12V und 0V müssen von der gleichen Spannungsquelle, sprich Zentrale kommen. Satel Videotutorials: https://www.youtube.com/c/aslademcogmbh |
|||
|
25-04-2019, 23:18
Beitrag: #10
|
|||
|
|||
|
RE: AZWG10020 und AZ4000 1 SMS bei Einbruch
Danke für die Antwort. Die Trigger-Polarität ist auf positiv (Systemoptionen/Trigger-Polarität/Positiv). Wäre die Schaltung richtig. MfG willi7862
|
|||
|
26-04-2019, 06:22
Beitrag: #11
|
|||
|
|||
|
RE: AZWG10020 und AZ4000 1 SMS bei Einbruch
Eingang A darf nicht mit 0V verbunden sein, sonst wird niemals eine SMS ausgelöst.
MfG Sektionschef Abus Terxon SX+SG1800+BW8010+Monacor AS362 Jablotron Oasis80(JA-84)+JA-83M+JA-83P+JA-80PB+JA-81F+JA-80L Instar IN-5907HD |
|||
|
26-04-2019, 07:27
Beitrag: #12
|
|||
|
|||
|
RE: AZWG10020 und AZ4000 1 SMS bei Einbruch
A nur über den 0V der Zentrale (CCT1) ansteuern. der 1K-Widerstand ist nur zur Ruhekontrolle. Ob positiv oder negative Flanke ist egal - es muss nur der Eingang A entsprechend programmiert werden.
Satel Videotutorials: https://www.youtube.com/c/aslademcogmbh |
|||
|
26-04-2019, 23:09
Beitrag: #13
|
|||
|
|||
|
RE: AZWG10020 und AZ4000 1 SMS bei Einbruch
Danke für die Antworten. @Sektionschef Warum wird keine SMS ausgelöst. @Animal Die Zone wird wenn ich CCT1 entferne wohl nicht mehr erkannt. Wo im Menü kann der Eingang A entsprechend programmiert werden. MfG willi7862
|
|||
|
27-04-2019, 10:13
Beitrag: #14
|
|||
|
|||
|
RE: AZWG10020 und AZ4000 1 SMS bei Einbruch
Wenn an A permanent 0V angeschlossen ist wird sich der Eingang niemals auf 12V ändern können und dann wird auch nie eine SMS ausgelöst.
Animal hat den Zoneneingang etwas verwirrend mit 0V bezeichnet, damit ist aber nicht der Anschluss "0V " gemeint. MfG Sektionschef Abus Terxon SX+SG1800+BW8010+Monacor AS362 Jablotron Oasis80(JA-84)+JA-83M+JA-83P+JA-80PB+JA-81F+JA-80L Instar IN-5907HD |
|||
|
27-04-2019, 17:50
Beitrag: #15
|
|||
|
|||
RE: AZWG10020 und AZ4000 1 SMS bei Einbruch
(26-04-2019 23:09)willi7862 schrieb: Wo im Menü kann der Eingang A entsprechend programmiert werden.Systemoptionen->Trigger-Polarität->Positiv Bedeutet: Ein Wechsel des Einganges von 0V auf 12V(Positiv) triggert den Eingang und löst die SMS aus. mfg Sektionschef Abus Terxon SX+SG1800+BW8010+Monacor AS362 Jablotron Oasis80(JA-84)+JA-83M+JA-83P+JA-80PB+JA-81F+JA-80L Instar IN-5907HD |
|||
|
28-04-2019, 11:12
Beitrag: #16
|
|||
|
|||
|
RE: AZWG10020 und AZ4000 1 SMS bei Einbruch
Was mir noch eingefallen ist:
Mit der Verbindung der Zoneneingängen mit den Trigger-Eingängen am Wählgerät wird natürlich bei JEDEM Öffnen einer Zone eine SMS versendet, egal ob die Zentrale scharf ist oder unscharf. Damit nur SMS versendet werden wenn die Zentrale scharf ist müsste man am besten das Wählgerät tatsächlich erst mit dem Scharf schalten der Zentrale einschalten, so wie es Willi ursprünglich auch geplant hatte. mfg Sektionschef Abus Terxon SX+SG1800+BW8010+Monacor AS362 Jablotron Oasis80(JA-84)+JA-83M+JA-83P+JA-80PB+JA-81F+JA-80L Instar IN-5907HD |
|||
|
28-04-2019, 16:57
Beitrag: #17
|
|||
|
|||
|
RE: AZWG10020 und AZ4000 1 SMS bei Einbruch
Danke für die Antwort. Leider nicht einfach das Wählgerät mit Zonenerkennung zu verdrahten. MfG willi7862
|
|||
|
|
| Möglicherweise verwandte Themen... | |||||
| Thema: | Verfasser | Antworten: | Ansichten: | Letzter Beitrag | |
| Abus AZWG10020 Terxon GSM-Wählgerät | bkmhh | 2 | 6.263 |
03-05-2016 11:38 Letzter Beitrag: Sektionschef |
|
| Erfahrung Abus AZWG10020 | testfahrer | 3 | 7.346 |
13-03-2016 14:32 Letzter Beitrag: testfahrer |
|
Benutzer, die gerade dieses Thema anschauen: 1 Gast/Gäste
Suche
Mitglieder
Kalender
Hilfe




![[Bild: e38elqpcpxhwmbqbk.jpg]](http://666kb.com/i/e38elqpcpxhwmbqbk.jpg)