|
Esser Flex ES Alarmierungsmodul
|
|
04-08-2022, 07:47
Beitrag: #1
|
|||
|
|||
|
Hallo,
vielleicht könnt ihr mir ja helfen, mir fällt dazu nichts mehr ein. Folgende Situation... wir haben eine neue Esser Flex ES in betrieb genommen und soweit funktioniert auch alles bis auf die Ansteuerung der Zentrale über das FSE. Das FSE wird mittels einem Alarmierungskopplers (4 Gruppeneingänge und 2 Relais-Ausgänge) ausgewertet. Da wir die Ausgänge an diesem Koppler nicht benötigen sind diese auch nicht überwacht und mittels software auch "deaktiviert" . Genau genommen benötigen wir nur einen Eingang am Koppler und diesen haben wir In der Software so eingestellt das er mit 10kOhm abgeschlossen werden muss. Sobald wir die Programmierung rübergeschickt haben geht die Anlage in Störung -- Gruppeneingang Störung Kurzschluss oder Drahtbruch -- Danach haben wir alles probiert und verschiedenste Parameter eingestellt - abgeschlossen mit 1k Ohm Widerstand/EOL usw. Habt ihr vielleicht eine Idee wie wir die Störung wegbekommen ? Grüße |
|||
|
04-08-2022, 08:20
Beitrag: #2
|
|||
|
|||
|
RE: Esser Flex ES Alarmierungsmodul
Skizziere mal bitte den kompletten Schaltplan inkl. Kontakt des FSE am Kopplereingang. Es gibt nur 2 gültige Zustände am Eingang, 10k Ruhe und 1k (?) Alarm. Eine einfache Unterbrechung oder Überbrückung des 10k Widerstandes reicht nicht aus und führt zur Störungsmeldung.
|
|||
|
04-08-2022, 08:39
Beitrag: #3
|
|||
|
|||
|
RE: Esser Flex ES Alarmierungsmodul
Danke für die schnelle Antwort.
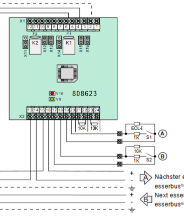
Wir haben es exakt so geklemmt wie in Anschaltbeispiel B. Dachten auch schon der Koppler sei Kaputt und haben den provisorisch getauscht um auch sowas auszuschließen, aber selber Fehler. Packe hier auch direkt mal die Softwareeinstellung rein, vielleicht hilft es ja weiter. |
|||
|
04-08-2022, 09:26
Beitrag: #4
|
|||
|
|||
|
RE: Esser Flex ES Alarmierungsmodul
Hast du die Umschaltung 10k/1k mal gemessen, sind die Widerstände ok? Probeweise die anderen Eingänge auch mit 10k abschließen... Eventuell wurde ein Eingang vertauscht? Hat der Koppler seine Betriebsspannung? Der ist nicht über den Bus versorgt.
|
|||
|
04-08-2022, 09:38
Beitrag: #5
|
|||
|
|||
|
RE: Esser Flex ES Alarmierungsmodul
Also die Wiederstände sind in Ordnung die haben wir Durchgemessen.
Haben auch alle anderen Eingänge probehalber abgeschlossen mit Wiederständen nur um sicherzugehen Haben an Uext. Einen 12V Akku geklemmt um das auch auszuschließen aber der Koppler bringt immer eine Störung. Es sind auch andere Alarmierungskoppler in der Anlage da schalten wir aber die Ausgänge Potentialfrei ... Die laufen auch störungsfrei Es muss also an den Eingang von diesen einem Koppler liegen.. habe gehoft das wir eventuell nur was in der Software vergessen haben |
|||
|
04-08-2022, 10:09
Beitrag: #6
|
|||
|
|||
|
RE: Esser Flex ES Alarmierungsmodul
Erstens weiß der Esser Facherrichter, dass alle unbelegten Eingänge auf den Kopplern abgeschlossen gehören, da diese sonst im Hintergrund den BUS belasten auch wenn sie rausprogrammiert sind. Das ist aber nicht dein Problem.
Erstmal ganz simpel, hast du den falschen Koppler zu fassen oder bist du bei den Eingängen verrutscht? Ansonsten Rechtsklick im Tools auf den Koppler und Serviceanzeige oder Testen wählen. Da kannst du dir den aktuellen Zustand der Eingänge ansehen. |
|||
|
04-08-2022, 10:10
Beitrag: #7
|
|||
|
|||
|
RE: Esser Flex ES Alarmierungsmodul
Hi,
nur ein Akku einfach so reicht nicht, Du musst auch die Masse (Akku -) mit der Masse der Anlage verbinden. Grüße ToWo |
|||
|
04-08-2022, 10:29
Beitrag: #8
|
|||
|
|||
|
RE: Esser Flex ES Alarmierungsmodul
Also der Koppler ist schon der richtige ... Getauscht haben wir den auch um einen defekt auszuschließen - die zentrale erkennt diesen ja auch mit 4 Eingängen und 2 Ausgängen
Der Koppler ist im BUS eingeschliffen ... In der Diagnose zeigt jeder Eingang einen Kurzschluss/Drahtbruch an. Aber deaktivierte Eingänge müssten diese Meldung ja immer anzeigen. Nur zeigt eben auch unser programmierter Eingang diese Störung an |
|||
|
04-08-2022, 12:00
Beitrag: #9
|
|||
|
|||
|
RE: Esser Flex ES Alarmierungsmodul
Hi,
um 2 Ecken gedacht: Hast Du mal die Widerstände gemessen, ob sie wirklich den richtigen Wert haben und auch in Ordnung sind? Grüße ToWo |
|||
|
04-08-2022, 12:04
Beitrag: #10
|
|||
|
|||
|
RE: Esser Flex ES Alarmierungsmodul
Hallo,
ja die Widerstände haben die korrekten Werte haben wir geprüft
|
|||
|
04-08-2022, 18:52
Beitrag: #11
|
|||
|
|||
|
RE: Esser Flex ES Alarmierungsmodul
Hallo,
bitte mal den Koppler ohne Peripherie beschalten. D.h. die Eingänge direkt mit 10kOhm abschließen ohne externe Kabel. Dann mal über Testen (wie von Feuermelder beschrieben) kontrollieren, ob die Eingänge in Ruhe sind. ... |
|||
|
04-08-2022, 23:52
Beitrag: #12
|
|||
|
|||
|
RE: Esser Flex ES Alarmierungsmodul
Also ich tippe immer noch auf Stromversorgung, ich hab mich mit dem Teil auch mal angeschissen, als ich alte 9100er Melder von ner 8008 auf eine FlexES migriert hab. Da kamen auch nur die Gruppen als Störung, bis dann der Kollege fragte, ob ich denn UBext auch angeschlossen habe.
Wenn man die Überwachung für die Spannungsversorgung auf dem Koppler in Tools nicht programmiert, dann merkt man es nur daran, dass die Meldegruppeneingänge nicht funktionieren und auf Störung gehen. Also prüfen, ob 12V oder 24V mit Plus auf Klemme 3/4 und Minus auf 5/6 anliegen, eventuell hier verpot? |
|||
|
05-08-2022, 07:42
Beitrag: #13
|
|||
|
|||
|
RE: Esser Flex ES Alarmierungsmodul
okey danke für den Tipp,
wir werden das mal versuchen. Ich melde mich sobald wir ein Ergebnis haben |
|||
|
02-09-2022, 10:22
Beitrag: #14
|
|||
|
|||
|
RE: Esser Flex ES Alarmierungsmodul
Grüße,
es hat tatsächlich an der Spannungsversorgung des Moduls gelegen. Dadurch das ich das Modul über eine externe Spannungsversorgung angeschlossen habe und nicht direkt über das Netzteil der Zentrale ging es permanent in Störung. Ich danke euch vielmals für eure Hilfe. |
|||
|
|
| Möglicherweise verwandte Themen... | |||||
| Thema: | Verfasser | Antworten: | Ansichten: | Letzter Beitrag | |
| Esser Flex | Matzen | 3 | 834 |
28-09-2025 19:30 Letzter Beitrag: Objekt907_SNF |
|
| ändern Meldertyp Esser Flex ES | Matzen | 3 | 3.369 |
06-11-2022 18:19 Letzter Beitrag: Matzen |
|
Benutzer, die gerade dieses Thema anschauen: 1 Gast/Gäste
Suche
Mitglieder
Kalender
Hilfe




haben wir geprüft