|
Thermo- und Rauchmelder (RM1100 & RM1000) in einer Meldelinie mischen
|
|
24-08-2013, 21:42
Beitrag: #1
|
|||
|
|||
|
Thermo- und Rauchmelder (RM1100 & RM1000) in einer Meldelinie mischen
Guten Abend Forum,
kann man die RM1000 und RM1100 in einer Meldelinie (Reihenschaltung) beliebig mischen? Muss ich alle Drähte 1:1 zur Anlage führen oder am Ende kreuzen (mein Anhang dürfte meine zweite Frage näher erläutern). Über Rückmeldungen würde ich mich freuen. Danke, Max |
|||
|
24-08-2013, 22:27
Beitrag: #2
|
|||
|
|||
RE: Thermo- und Rauchmelder (RM1100 & RM1000) in einer Meldelinie mischen
(24-08-2013 21:42)profilmax schrieb: ...Muss ich alle Drähte 1:1 zur Anlage führen oder am Ende kreuzen (mein Anhang dürfte meine zweite Frage näher erläutern)...Warum willst Du die Linien 3 und 4 kreuzweise verbinden? Dann schließt Du ja die Kontakte kurz und wirst nie einen Alarm bekommen. [size=small]Aus Zeitgründen sehe ich meistens von der Korrektur von Schreibfehlern ab. Man möge es mir fazein.[/size] |
|||
|
26-08-2013, 08:22
Beitrag: #3
|
|||
|
|||
|
RE: Thermo- und Rauchmelder (RM1100 & RM1000) in einer Meldelinie mischen
Guten Morgen!
Also "3" mit "3" und "4" mit "4" verbinden und dann zur Anlage führen?! Mich hat nur die Anleitung, die dem Melder beiliegt (siehe Anhang) "verwirrt"... Kann man die RM1000 und RM1100 denn in einer Linie "mischen"? Gruß und danke, Max |
|||
|
26-08-2013, 08:33
Beitrag: #4
|
|||
|
|||
|
RE: Thermo- und Rauchmelder (RM1100 & RM1000) in einer Meldelinie mischen
Hallo,
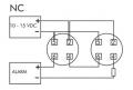
habe da mal von "Aussen" draufgeschaut, ohne die Melder selber zu kennen. In deiner Zeichnung hast du alle Alarmanschlüsse (6 + 4) parallel geschaltet. Damit kann ein Alarm nur ausgelöst werden, wenn alle Melder gleichzeitig aktiv werden. Wird einer nicht ausgelöst, dann schließt er weiterhin den Alarmkontakt und nichts passiert. In der zweiten Abbildung ist es richtig. Hier werden die Alarmkontakte in Serie geschaltet, so kann jeder Melder die Meldelinie unterbrechen. Ich denke es spricht nichts dagegen, die Melder zu kombinieren. Gruß Tim Ich habe nicht auf jede Frage die passende Antwort, aber zu jeder Antwort die passende Frage. Auch wenn es Wenige ärgert, im Zweifelsfall geht mir Information vor Rechtschreibung. |
|||
|
26-08-2013, 08:39
Beitrag: #5
|
|||
|
|||
|
RE: Thermo- und Rauchmelder (RM1100 & RM1000) in einer Meldelinie mischen
Hi,
danke. Und wie sähe es aus, wenn hier noch ein dritter Melder dazu käme? Wie muss ich das dann verkabeln? Gruß, Max |
|||
|
26-08-2013, 09:03
Beitrag: #6
|
|||
|
|||
|
RE: Thermo- und Rauchmelder (RM1100 & RM1000) in einer Meldelinie mischen
Also angenommen, das Netzteil liefert genug Strom, die Leitunglänge bleibt in der für die Anlage zulässigen Bereich und die Anzahl der Melder die man bei der Anlage in Reihe schalten darf wird nicht überschritten, dann sieht das so aus.:
Einfach weiter in Reihe schalten. Wie gesagt, Abus ist sonst nicht meine Baustelle. Gruß Tim Ich habe nicht auf jede Frage die passende Antwort, aber zu jeder Antwort die passende Frage. Auch wenn es Wenige ärgert, im Zweifelsfall geht mir Information vor Rechtschreibung. |
|||
|
26-08-2013, 09:36
Beitrag: #7
|
|||
|
|||
|
RE: Thermo- und Rauchmelder (RM1100 & RM1000) in einer Meldelinie mischen
Hi "timbau",
herzlichen Dank! Kann mir jetzt bitte noch jemand beantworten, ob man die RM1000 und RM1100 in einer Linie "mischen" darf? Gruß, Max |
|||
|
26-08-2013, 10:02
Beitrag: #8
|
|||
|
|||
|
RE: Thermo- und Rauchmelder (RM1100 & RM1000) in einer Meldelinie mischen
Natürlich darfst du das.
Alle meine Beiträge schreibe ich nach bestem Wissen und Gewissen, aber ohne Gewähr. Kein Support über Email oder Private Nachricht! |
|||
|
26-08-2013, 10:36
Beitrag: #9
|
|||
|
|||
|
RE: Thermo- und Rauchmelder (RM1100 & RM1000) in einer Meldelinie mischen
@rukoolla: Danke.
@Admin: "Fred" kann geschlossen werden. Thanx! |
|||
|
26-08-2013, 10:46
Beitrag: #10
|
|||
|
|||
|
RE: Thermo- und Rauchmelder (RM1100 & RM1000) in einer Meldelinie mischen
Und zu.
Ich habe nicht auf jede Frage die passende Antwort, aber zu jeder Antwort die passende Frage. Auch wenn es Wenige ärgert, im Zweifelsfall geht mir Information vor Rechtschreibung. |
|||
|
|
| Möglicherweise verwandte Themen... | |||||
| Thema: | Verfasser | Antworten: | Ansichten: | Letzter Beitrag | |
| NC => Abus RM1000 Optismoke - Optischer Rauchmelder | alter Meckersack | 14 | 17.973 |
23-09-2013 20:28 Letzter Beitrag: alter Meckersack |
|
| ABUS RM1000 bzw. RM1100 Rauch- bzw. Hitzemelder mit integr. Signalgebern? | profilmax | 3 | 5.767 |
12-07-2013 08:03 Letzter Beitrag: timbaum |
|
| Kabelquerschnitte "mischen": 4 x 0,14 mit 8 x 0,22 | profilmax | 3 | 6.248 |
27-03-2013 21:11 Letzter Beitrag: Manfredo |
|
Benutzer, die gerade dieses Thema anschauen:
Suche
Mitglieder
Kalender
Hilfe



