|
Oasis 80 - Das Projekt hat begonnen
|
|
26-01-2014, 01:23
Beitrag: #1
|
|||
|
|||
|
Oasis 80 - Das Projekt hat begonnen
Liebe Forumsteilnehmer,
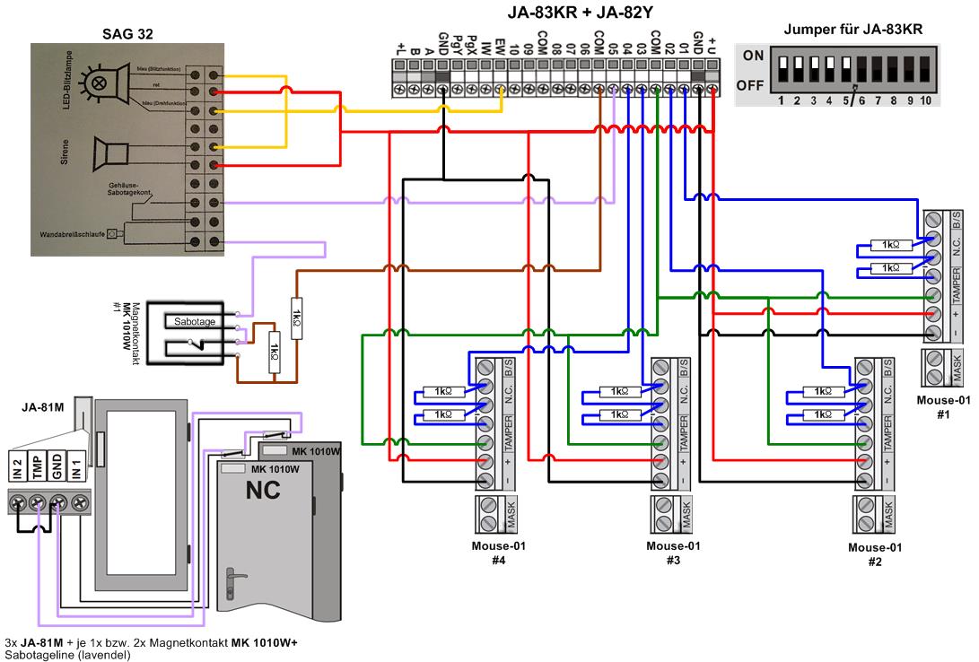
Seit Jahren plane ich, eine Alarmanlage in unserem Heim zu installieren, habe ab und zu dieses Forum durchstöbert und gelesen, wusste aber nicht für welche Anlage ich mich entscheiden sollte. Mit dem Hausbau hatte ich bereits ein paar Kabeln für eine Alarmanlage eingezogen (für Zentrale, Sirene, BM). Zu diesem Zeitpunkt war mir ein Außenhautschutz und dessen Vorteile noch nicht wirklich ein Begriff. Erst durch dieses Forum wurde mir dann klar: Ein Außenhautschutz ist Pflicht - ich will den Einbrecher ja nicht im Haus haben bevor die Anlage anschlägt. Fazit: eine Hybridanlage muss es sein. Irgendwie habe ich mich dann auf die Oasis 80 (aka Indexa / Monacor) eingeschossen. Ende Dezember 2013 habe ich mich dann hier in diesem Forum angemeldet - und ich muss sagen es macht Spass mit euch hier! Mittlerweile sagt mir meine Profil-Information: 58 Beiträge, Gesamte Onlinezeit: 1 Tag, 8 Stunden, 1 Minute, 46 Sekunden ... jetzt weiß ich wohin meine Zeit verschwunden ist. ![]() An dieser Stelle möchte ich "timbaum" ein großes Lob und DANKE aussprechen. Danke für die unzähligen Antworten die ich von dir erhalten habe. Du warst mir in meiner Planungsphase permanent behilflich. Aber auch den anderen Forumsmitgliedern die hier immer mit Antworten aushelfen: Ein großes Dankeschön! So nun aber zu den Fakts. Installieren werde ich die Anlage selber. Folgendes ist geplant und wurde mittlerweile bestellt:1x JA-83KR / OASIS 80 Hybrid Funk Alarmzentrale 1x JA-82Y / GSM-Kommunikationsmodul 1x NPA-12/12 / Panasonic Notstrom Akku (Vorsicht: der Akku ist zu groß und passt nicht in die Anlage) 2x JA-81E / Drahtgebundenes Bedienteil 2x SAG-122 / Innensirene 1x SAG 32 / Außensirene 4x MOUSE-01 / Dualmelder Drahgebunden 3x JA-81M / Funk-Melder, weiß 9x MK 1010W / Magnetkontakt drahtgebunden 4m 1x RC-88 / Funktaste, zum Auslösen von Panikalarm 10x RFID Transponder 2x RC-82 / Jablotron Funk-Fernbedienung 1x JA-82T / PC-USB-Schnittstelle Was ich in diesem Forum nicht gefunden habe, ist ein Verdrahtungsplan - wie schließt man die Komponenten an? Ja ihr habt recht, es steht eh in der Anleitung wie das geht. Ich möchte der Community hier auch einen Dienst erweisen und etwas beitragen. Ich werde daher meinen Anschlußplan posten. Dieser beantwortet irgendwem vielleicht mal die eine oder andere Frage. PS: Solltet ihr einen Fehler entdecken - gebt mir bitte Bescheid! Demnächst werde ich die Komponenten bestellen. Sobald diese dann eingelangt sind - gehts ans Errichten. Ich habe geplant, diesen Thread weiterzuführen wenn ich wieder mehr zu erzählen habe bzw. Erfahrungen mit der Oasis gesammelt habe. Grüße, Ferris Gesendet von meinem Taschenrechner |
|||
|
26-01-2014, 17:34
Beitrag: #2
|
|||
|
|||
|
RE: Oasis 80 - Das Projekt hat begonnen
Hallo Ferris,
achte darauf das du auch eine JA-83KR bekommst. Standardmäßig wird die als JA-83K OHNE Funkempfänger geliefert. Viel Erfolg Gruß Tim Ich habe nicht auf jede Frage die passende Antwort, aber zu jeder Antwort die passende Frage. Auch wenn es Wenige ärgert, im Zweifelsfall geht mir Information vor Rechtschreibung. |
|||
|
26-01-2014, 18:53
Beitrag: #3
|
|||
|
|||
|
RE: Oasis 80 - Das Projekt hat begonnen
Hallo Ferris,
dass sticht genau in meine Wunde. Ich plane ein sehr ähnliches System zu installieren. Mein Paket soll jedoch aus einen Starter Set "Jablotron OASiS Starter-Set JK-82 GSM" bestehen. Der Unterschied wird in der Anzahl der drahtgebundenen Melder für Tür und Fenster zu Deinem System bestehen. Ich möchte 7x Fenster, 1x doppelflügliege Terassentür und 1x HWR Tür mit drahtgebundenen Meldern ausstatten. Die Haustür soll aus dem Set den Türkontakt erhalten. 2x (kleine) Fenster möchte ich mit Funkmeldern ausstatten, da dort das Kabelverlegen eher etwas schwierig ist. Vielleicht kann ich die aber auch noch durch drahtgebundene Melder ersetzen. Ein BWM (im Set enthalten) soll das Wohnzimmer als zentralen Ort zusätzlich überwachen für den Modus wenn keiner zu hause ist. Weiter BWM können später ggf. noch folgen (als Funk eingebunden). Ich habe Deine Verdrahtungspläne gesehen. Hast Du die selber erstellt ? Wenn ich das richtig gelesen habe, dann können 5 Melder (Tür-/Fensterkontakte) an einer Meldelinie in Serie geschaltet werden. Ist das so richtig ? Wie hast Du die Verkabelung praktischerweise eingezogen ? Ich müsste die Kabel in einer Fußleiste verlegen und würde mit den Kabeln der Melder für Tür und Fenster auf die Fußleiste stoßen. Ist das Kabel in der Fußleiste quasie als BUS-Verteilung zu sehen und ich klinke mich mit denen der Melder über einen Verteiler auf ? Bei der JA-82K Funk-Alarmzentrale stehen 2 Eingänge zur Verfügung. Bei der JA-83K® sind es 10 Eingänge zur Verdrahtung. Ist das der einzige Unterschied (dann würde ich auch verstehen das Du kein Starter Set genommen hast) ? Wenn dem so ist, würde sich für mich eher die JA-83KR als Hybridanlage anbieten (zzgl. der fehlenden Komponenten), da ich später noch eine weitere Etage verkabeln muss (entweder auch drahtgebunden oder aber via Funkmelder). Das weiß ich aber noch nicht so genau. Möchte mir hier aber die Möglichkeiten offen halten. Darf ich fragen wo Du Deine Komponenten gekauft hast (gerne auch in einer PN) ? Wie weit bist Du mit der Installation ? Welche Schwierigkeiten hattest Du (Fallstricke, ...) Hast Du die Programmierung ausschließlich über die Software OLink vorgenommen und würde das ggf. auch über eines der Bedienteile funktionieren ? |
|||
|
28-01-2014, 23:02
Beitrag: #4
|
|||
|
|||
RE: Oasis 80 - Das Projekt hat begonnen
(26-01-2014 17:34)timbaum schrieb: Hallo Ferris, danke ;-) (26-01-2014 18:53)AlarmTux schrieb: Hallo Ferris, Hallo AlarmTux Ja, deine Anforderung kommt - wie du ja schon geschrieben hast - meinem Setting sehr ähnlich. (26-01-2014 18:53)AlarmTux schrieb: Ich habe Deine Verdrahtungspläne gesehen. Hast Du die selber erstellt ? Ja, den Verdrahtungsplan habe ich selber erstellt - jedoch mit Unterstützung der Kollegen hier im Forum. Ich hoffe er ist fehlerfrei. (26-01-2014 18:53)AlarmTux schrieb: Wenn ich das richtig gelesen habe, dann können 5 Melder (Tür-/Fensterkontakte) an einer Meldelinie in Serie geschaltet werden. Ist das so richtig ? Ja, TimBaum hat es hier auch schon mal erwähnt: http://www.alarmforum.de/Thread-Magnet-K...26#pid7026 Die Begründung warum es max. 5 sein dürfen ist hier erklärt: http://www.alarmforum.de/Thread-Magnet-K...5#pid18255 (26-01-2014 18:53)AlarmTux schrieb: Wie hast Du die Verkabelung praktischerweise eingezogen ? Alle Kabeln gehen von den Meldern sternförmig zur Zentrale. (26-01-2014 18:53)AlarmTux schrieb: Ich müsste die Kabel in einer Fußleiste verlegen und würde mit den Kabeln der Melder für Tür und Fenster auf die Fußleiste stoßen. Ist das Kabel in der Fußleiste quasie als BUS-Verteilung zu sehen und ich klinke mich mit denen der Melder über einen Verteiler auf ? Wenn du die Melder in eine gemeinsame Linie zusammenfassen willst so müssen die Melder in Serie geschalten werden, sodass wenn ein Melder (das ist nichts anderes als ein Schalter) öffnet, die Schleife unterbrochen ist. Genauso wie auf dieser Abbildung hier: http://www.alarmforum.de/attachment.php?aid=146 Du darfst die Melder natürlich nicht parallel an die Leitung hängen (also kein Bus-Prinzip!!). (26-01-2014 18:53)AlarmTux schrieb: Bei der JA-82K Funk-Alarmzentrale stehen 2 Eingänge zur Verfügung. ich glaube ja. Ich nehme die JA-83K wegen der 10 Linien - brauchen tue ich vorerst 5 ... der Rest Reserve. Du benötigst dann auch noch das Funk Modul für die 50 Funklinien. Vielleicht hilft dir dazu dieser Thread: http://www.alarmforum.de/Thread-JA-82KR-...ght=ja-83k (26-01-2014 18:53)AlarmTux schrieb: Ist das der einzige Unterschied (dann würde ich auch verstehen das Du kein Starter Set genommen hast) ? Damit liegst du sicher nicht falsch und ich würde dir dazu raten. (26-01-2014 18:53)AlarmTux schrieb: Darf ich fragen wo Du Deine Komponenten gekauft hast (gerne auch in einer PN) ? Wenn du meinen Artikel genau gelesen hast wirst du feststellen, dass ich noch nicht bestellt habe. (26-01-2014 18:53)AlarmTux schrieb: Wie weit bist Du mit der Installation ? siehe oben ... ![]() Ich hoffe ich konnte dir deine Fragen beantworten. LG, Ferris99 Gesendet von meinem Taschenrechner |
|||
|
05-02-2014, 17:05
Beitrag: #5
|
|||
|
|||
|
RE: Oasis 80 - Das Projekt hat begonnen
Update:
Ich habe mich nun doch für eine SAG-32 anstelle der SAG-42 Außensirene (die mir persönlich optisch ausgesprochen gut gefällt) entschieden. Den Grund dafür findet ihr in diesem Thread: http://www.alarmforum.de/Thread-Innensir...2#pid19062 Die Stückliste und der Verdrahtungsplan habe ich nun dahingehend in meinem Post #1 aktualisiert. Die Teile habe ich vor 5 Tagen bestellt. Heute sind die ersten Teile bei mir zu Hause eingelangt. Gesendet von meinem Taschenrechner |
|||
|
06-02-2014, 22:37
Beitrag: #6
|
|||
|
|||
|
RE: Oasis 80 - Das Projekt hat begonnen
Heute hat mir der Postler wieder 2 Pakete gebracht *freu*
Nachdem mich das selbst auch interessiert hat und ich das eine oder andere Mal hier im Forum oder bei den Distributiren direkt nachgefragt habe möchte euch mal zeigen, was so alles mit den Komponenten mitkommt (Schrauben, Dübeln, Beschreibung, ... ) - quasi ein 'unboxing". ![]() 1x JA-83K Jablotron OASIS Hybrid Alarmzentrale 1x JA-82R Funkmodul 1x JA-82Y GSM-Kommunikationsmodul 1x NPA-12/12 Panasonic Notstrom Akku 2x JA-81E Drahtgebundenes Bedienteil 3x JA-81M Funk-Melder, weiß 9x MK 1010W Magnetkontakt drahtgebunden 4m 10x RFID Chips Transponder 2x RC-82 Jablotron Funk-Fernbedienung 1x JA-82T PC-USB-Schnittstelle Gesendet von meinem Taschenrechner |
|||
|
06-02-2014, 23:31
Beitrag: #7
|
|||
|
|||
|
RE: Oasis 80 - Das Projekt hat begonnen
Und schon fertig.
Ich habe nicht auf jede Frage die passende Antwort, aber zu jeder Antwort die passende Frage. Auch wenn es Wenige ärgert, im Zweifelsfall geht mir Information vor Rechtschreibung. |
|||
|
07-02-2014, 10:17
Beitrag: #8
|
|||
|
|||
|
RE: Oasis 80 - Das Projekt hat begonnen
so schnell wie du bin ich nicht ;-)
Gesendet von meinem Taschenrechner |
|||
|
07-02-2014, 11:06
Beitrag: #9
|
|||
|
|||
|
RE: Oasis 80 - Das Projekt hat begonnen
Ich finde da gibt es einen Unterschied zwischen dem Privatmensch der versucht nebenbei (Arbeit, Ausbildung, ...) eine Technik zu installieren, mir der er nicht jeden Tag zu tun hat so wie der Errichter der tag täglich damit umgeht.
Mein Projekt strauchelt auch ein wenig, aber ich habe auch noch andere Themen die tag täglich gestemmt werden müssen. Statistisch ist das sehr unwahrscheinlich, dass innerhalb kützester Zeit aufeinander in das gleiche Haus eingebrochen wird. Sprich:.Keine Hetz :-) |
|||
|
07-02-2014, 11:23
Beitrag: #10
|
|||
|
|||
RE: Oasis 80 - Das Projekt hat begonnen
(07-02-2014 11:06)AlarmTux schrieb: Statistisch ist das sehr unwahrscheinlich, dass innerhalb kützester Zeit aufeinander in das gleiche Haus eingebrochen wird. Aktueller Fall aus der Nachbarschaft: Mitte Dezember und Anfang Januar ... ich glaube die pfeifen gerade auf Statisken ![]() Aber mal eine andere Frage: Was'n das für'n Versandhaus, wo Handsender und Akku in 10 € Scheine eingewickelt werden? |
|||
|
07-02-2014, 11:36
Beitrag: #11
|
|||
|
|||
RE: Oasis 80 - Das Projekt hat begonnen
(07-02-2014 11:06)AlarmTux schrieb: Ich finde da gibt es einen Unterschied zwischen dem Privatmensch der versucht nebenbei (Arbeit, Ausbildung, ...) eine Technik zu installieren, mir der er nicht jeden Tag zu tun hat so wie der Errichter der tag täglich damit umgeht. Bei mir wurde zum Glück noch nie eingebrochen ... ![]() (07-02-2014 11:23)Funkalarmprofi schrieb: Aber mal eine andere Frage: Was'n das für'n Versandhaus, wo Handsender und Akku in 10 € Scheine eingewickelt werden? Das möchtest du gerne wissen ... aber ich mache hier keine Werbung!
Gesendet von meinem Taschenrechner |
|||
|
07-02-2014, 11:54
Beitrag: #12
|
|||
|
|||
|
RE: Oasis 80 - Das Projekt hat begonnen
Hallo,
(07-02-2014 11:06)AlarmTux schrieb: Statistisch ist das sehr unwahrscheinlich, dass innerhalb kützester Zeit aufeinander in das gleiche Haus eingebrochen wird. Sprich:.Keine Hetz :-) Im Gewerbebereich ist es durchaus möglich, dass innerhalb von 4 Wochen 2 mal eingebrochen wird. Es sind ja dann die PC´s und Laptop´s oder auch das Werkzeug neu. ![]() Im privaten Umfeld ist das eher selten. Gruß Tim Ich habe nicht auf jede Frage die passende Antwort, aber zu jeder Antwort die passende Frage. Auch wenn es Wenige ärgert, im Zweifelsfall geht mir Information vor Rechtschreibung. |
|||
|
10-02-2014, 01:23
Beitrag: #13
|
|||
|
|||
|
RE: Oasis 80 - Das Projekt hat begonnen
Mittlerweile sind auch die Bewegungsmelder und die 2 Sirenen für den Innenbereich eingetroffen:
4x Mouse-01 Bewegungsmelder 2x SAG 122 Innensiren Nun fehlt nur noch die Lieferung der Außensirene - SAG 32 - dann ist alles tutto completo. ![]() Einige Magnetkontakte und 2x JA-81M habe ich am WE verbaut. Die meiste Zeit ging beim Verlängern eines Kabelkanals drauf der 9x um die Ecke ging ![]() Wenn das auch optisch was gleich schaun soll dann geht bei den Monatagearbeiten irrsinnig viel Zeit drauf. Das ist nicht zu unterschätzen. Aber es macht ja auch Spass.
Gesendet von meinem Taschenrechner |
|||
|
13-02-2014, 16:08
Beitrag: #14
|
|||
|
|||
|
RE: Oasis 80 - Das Projekt hat begonnen
Die SAG 32 wurde nun auch geliefert. Somit wurden alle Komponenten vollständig geliefert.
Die Sirene ist viel größer als ich sie mir vorgestellt habe und sieht irgendwie sehr cool aus. Freu mich schon wenn ich das Ding mal in action sehe! ![]() Mit der Verkabelung (Kabelkanäle legen, löten, ... ) im Keller bin ich einges weiter gekommen, muss aber bzgl. 2 Magnetkontakten die ich an ein JA-81E Pad anschließen wollte wieder zurück an den Start. Grund: Wissensdefizit.Mir war nicht bewußt, dass die Melder, die man beim JA-81E anschließen kann außschließlich für Zone C sind. Ich hätte diese für Zone A benötigt. Aufmerksam wurde ich durch diesen Artikel: http://www.alarmforum.de/Thread-JA-81E-Z...netkontakt Vielleicht hilft dieser Post ja noch dem einen oder anderen.
Gesendet von meinem Taschenrechner |
|||
|
08-03-2014, 22:46
Beitrag: #15
|
|||
|
|||
|
RE: Oasis 80 - Das Projekt hat begonnen
Ein Statusbericht ist wieder mal ausständig, was ist bis jetzt geschehen?
Ich habe 9 Magnatkontakte montiert - 5 davon mit der Anlage direkt verdrahtet, die restlichen 4 in Kombination mit 3 JA-81M Melder. Empfang ist laut Signalstärkenanzeige 100%. Das Verkabeln, das Einbinden der Widerstände und die Löterei war eine ziemlich mühsame Angelsgenheit. Teilweise musste ich bestehende Leitungen verlängern usw. Nun funktioniert aber alles fehlerfrei. ![]() 4 Dual-Bewegungsmelder hängen an den Decken. Diese scheinen auch zu funktionieren. Der Mikrowellensender eragiert recht schnell und hat eine recht große Reichweite. Der Infrarotsender reagiert mE etwas langsamer und die Reichweite ist eingeschränkter. In Kombination (beide Sender erkennen etwas) kann ich die BWM austricksen wenn ich mich in Zeitlupe bewege. Dann reagiert meistens nur der MW-Sender (zumindest habe ich das bei einem BWM erfolgreich getestet. Weiters wurden die 2 Innensirenen und die Außensirene sowie die Zentrale montiert. Die SAG 122 machen einen höllischen Lärm (haben recht viel verfliest und keine Vorhänge/Teppiche. Das heisst der Schall reflektiert ganz schön. Im Raum zu stehen in dem die Sirene heult ist nicht auszuhalten (auch nicht, wenn man sich die Ohren zuhält). Habe die Sirenen derzeit wieder abgehängt weil ich noch teste. Da reicht mir derzeit die Alarmmeldung am Bedienfeld.Gestern habe ich das JA-82Y Modul in die Zentrale gesteckt. Es werden alle in der Zentrale gespeicherten Einträge überschieben - sicherheitshalber habe ich von allen Einstellungen Screenshots gemacht. Habe mich mich dem Modul noch nicht richtig beschäftigt. Die hoffentliche wichtigsten Einstellungen zur Vermeidung von hohen Kosten (Stichwort "nach Hause telefonieren") habe ich hoffentlich bereits getätigt. Vorerst mal AES deaktiviert und alle IP/URLs entfernt. Panikschalter (Sirenen gehen an) habe ich noch nicht montiert. Möchte ich im Schlafzimmer platzieren. Wo genau montiert ihr eure Panikschalter? Welche Erfahrungen habt ihr damit bis dato gemacht? OLINK SW: ist ganz OK, hat aber ein paar Macken: getätigte Einträge verschwinden beim Speichern, Signelstärkenmessung ist nicht wirklich nachvollziehbar. Tipp: macht Screenshots von euren Einstellungen. Ein Magnetkontakt war übrigens defekt - hat mit dem Magnet nicht geschlossen. Der Lieferant hat mir kostenfrei ein neues Teil geschickt, ohne dass ich das defekte zurück schicken musste. Anbei noch ein paar Bilder von den Komponenten (jetzt mit geschwärzter SN). ![]() Gruß Ferris
Gesendet von meinem Taschenrechner |
|||
|
09-03-2014, 14:19
Beitrag: #16
|
|||
|
|||
RE: Oasis 80 - Das Projekt hat begonnen
(13-02-2014 16:08)ferris99 schrieb: Mit der Verkabelung (Kabelkanäle legen, löten, ... ) im Keller bin ich einges weiter gekommen, muss aber bzgl. 2 Magnetkontakten die ich an ein JA-81E Pad anschließen wollte wieder zurück an den Start. Die Magnetkontakte #2 bis #5 habe ich nun doch nicht an das JA-81E Bedienteil angeschlossen sondern direkt an die Zentrale an einen eigenen Draht-Linienanschluss (mit jeweils Parallel- und Serienwiderstand - wie im Diagramm bei MK #1 abgebildet). Nur dadurch ist es möglich, diese MK in Zone A zu integrieren. Gesendet von meinem Taschenrechner |
|||
|
09-03-2014, 16:01
Beitrag: #17
|
|||
|
|||
|
RE: Oasis 80 - Das Projekt hat begonnen
Danke für den super Thread!! Und Respekt für Deine Geduld bei der nachträglichen Verdrahtung des Hauses...
|
|||
|
10-03-2014, 13:21
Beitrag: #18
|
|||
|
|||
|
RE: Oasis 80 - Das Projekt hat begonnen
Für den Einsatz im JA-82Y Modul habe ich nun bei meiner SIM Karte von YESSS! die Datendienste und Mailbox deaktivieren lassen. Einfaches E-Mail an info@yesss.at genügt. Wurde anstandslos deaktiviert.
Datendienste: Zugriff aus Internet benötige ich nicht. Möchte auch durch evtl. Fehlkonfigguration keine unnötigen Kosten generieren. Mailbox: damit ich, wenn ich die Anlage anrufe (diese reagiert erst nach 15s) nicht schon vorher auf die Mailbox geleitet werde. Gesendet von meinem Taschenrechner |
|||
|
14-03-2014, 00:56
Beitrag: #19
|
|||
|
|||
|
RE: Oasis 80 - Das Projekt hat begonnen
Hallo Leute, Hallo Tim
![]() Möchte mal meine derzeitigen Einstellungen zur Diskussion stellen. Bin gerne für Änderungsvorschläge offen. Mir ist auch klar dass manche Einstellungen individuell zu treffen sind. ![]() Mit dem GSM Einstellungen möchte ich nur per SMS informiert werden. Da ich nur 1 Handynummer benachrichtigen möchte, macht es da Sinn auf die #1 zu platzieren oder ist #4 auch OK? Gibt ja da diese Weiterleitfunktion ... macht vermutlich nur bei mehr als einer Tel.nummern Sinn oder? Bin mit den SMS Benachrichtungseinstellungen noch in Default. ![]() Möchte die Anlage per SMS und Telanruf steuern und konfigurieren können. Brauche keine Anrufe der Anlage ins Ausland (zu Jablotron) und möchte auch nicht GPRS nutzen. Habe SIM ohne Guthaben (mit Vertrag) drinnen. PGX und PGY verwende ich nicht. Verwende auch keine AES. Welche Einstellunge bewähren sich in der Praxis? Welche Settings empfehlt ihr? ![]() lg Ferris Edited: 22.Okt.2015 (Attachments mit Konfigurationseinstellungen gelöscht) Gesendet von meinem Taschenrechner |
|||
|
|
| Möglicherweise verwandte Themen... | |||||
| Thema: | Verfasser | Antworten: | Ansichten: | Letzter Beitrag | |
| Dann läuft es wohl doch auf das OASIS 80 hinaus... | Royal_JS | 15 | 16.695 |
24-10-2011 21:06 Letzter Beitrag: Funkalarmprofi |
|
Benutzer, die gerade dieses Thema anschauen:
Suche
Mitglieder
Kalender
Hilfe



Danke für die unzähligen Antworten die ich von dir erhalten habe. Du warst mir in meiner Planungsphase permanent behilflich.
Folgendes ist geplant und wurde mittlerweile bestellt:
Ja ihr habt recht, es steht eh in der Anleitung wie das geht. Ich möchte der Community hier auch einen Dienst erweisen und etwas beitragen. Ich werde daher meinen Anschlußplan posten. Dieser beantwortet irgendwem vielleicht mal die eine oder andere Frage.
PS: Solltet ihr einen Fehler entdecken - gebt mir bitte Bescheid! 





Die Sirene ist viel größer als ich sie mir vorgestellt habe und sieht irgendwie sehr cool aus. Freu mich schon wenn ich das Ding mal in action sehe!
(haben recht viel verfliest und keine Vorhänge/Teppiche. Das heisst der Schall reflektiert ganz schön. Im Raum zu stehen in dem die Sirene heult ist nicht auszuhalten (auch nicht, wenn man sich die Ohren zuhält). Habe die Sirenen derzeit wieder abgehängt weil ich noch teste. Da reicht mir derzeit die Alarmmeldung am Bedienfeld.