Antwort schreiben 
 
Themabewertung:
  • 0 Bewertungen - 0 im Durchschnitt
  • 1
  • 2
  • 3
  • 4
  • 5
Telenot EMZ 5106
13-07-2020, 22:08
Beitrag: #21
RE: Telenot EMZ 5106
Man fängt mit dem einfachsten an, deswegen. Und ein Widerstand kost nichts und ist nur ein Teil statt x Lötstellen.

Mikrovibrationen hat man immer und überall, also bricht auch mal so ein Anschlussdraht oder eine Lötstelle nach zig Jahren.
Alle Beiträge dieses Benutzers finden
Diese Nachricht in einer Antwort zitieren
13-07-2020, 22:18
Beitrag: #22
RE: Telenot EMZ 5106
Nun ausschließen kann man nicht, das ein Widerstand altert und dadurch in seinem Sollwert abweicht, aber Schwankungen zwischen 100 k und mehreren MOhm, wie der TE schreibt, da schließe ich den Widerstand aus. Das ist eher wie 5624 schon schreibt eine gealterte oder gebrochene Lötstelle oder eben ein Drahtbruch. Dieser kann z.B. nach Jahren entstehen durch einkerben des Drahtes beim Abisolieren. Messen würde ich die Widerstände zur Fehlersuche trotzdem.
Das ist halt so ein Fehler, wo es passieren kann das der Kunde hinterher die Gesichtsfarbe wechselt, wenn er die Rechnung bekommt. Blush

Viele Fehler sind RTFM Fehler - Read The Fucking Manual
Telenot, Daitem, UTC, Hikvision AxPro, Lupus, AVS
www.peteralarm.de
Webseite des Benutzers besuchen Alle Beiträge dieses Benutzers finden
Diese Nachricht in einer Antwort zitieren
13-07-2020, 22:57
Beitrag: #23
RE: Telenot EMZ 5106
Hi,

habe ich doch bereits mehrfach (auch in diesem Thread) geschrieben. Rolleyes
Die Widerstände bekommen "Kappenfehler". Dadurch verändert sich der Wert, genauso wie hier beschrieben wird. Kurze Aussetzer, zeitweise höherer Wert bis zur Unterbrechung. Habe ich im Laufe meiner Karriere mehr als einmal erlebt.
Und da der Tausch des Widerstands äußerst einfach zu bewerkstelligen und auch finanziell durchaus zu verkraften ist, ist es in so einem Fall das erste Mittel der (meiner) Wahl.

Grüße
ToWo
Alle Beiträge dieses Benutzers finden
Diese Nachricht in einer Antwort zitieren
14-07-2020, 09:14
Beitrag: #24
RE: Telenot EMZ 5106
Okay, danke an ALLE für die Hinweise und die Möglichkeit mich "weiterzubilden". Smile

Hinsichtlich des Begriff "Kappenfehler" wird allerdings meist auf die "alten Kohleschichtwiderstände mit Presskappen" Exclamation verwiesen, die sicherlich in den heute noch aktiven Systemen die Ausnahme darstellen, oder Huh Haben Metallfilmwiderstände gleichfalls dieses Symptom?

Hätte mir gerne ein Foto von solchen Teilen angeschaut, aber Google findet nur was im Bereich der Fittings (verarbeitung) Undecided
Alle Beiträge dieses Benutzers finden
Diese Nachricht in einer Antwort zitieren
15-07-2020, 13:21
Beitrag: #25
RE: Telenot EMZ 5106
Hi,

also ich hatte es auch schon (zwar nur exakt ein Mal, aber eben doch) bei einem Metallfilmwiderstand.
Sehen tut man da nix, der schlechte Kontakt ist schließlich "innen".

Grüße
ToWo
Alle Beiträge dieses Benutzers finden
Diese Nachricht in einer Antwort zitieren
15-07-2020, 14:53
Beitrag: #26
RE: Telenot EMZ 5106
Kenne das eigentlich nur von alten Röhrenradios, passierte dort durch die Wärme, aber selten durch alter Huh
Gut, aber man kann es eben nicht komplett ausschließen, deshalb habe ich auch geschrieben "auch die Widerstände messen". Blush

Viele Fehler sind RTFM Fehler - Read The Fucking Manual
Telenot, Daitem, UTC, Hikvision AxPro, Lupus, AVS
www.peteralarm.de
Webseite des Benutzers besuchen Alle Beiträge dieses Benutzers finden
Diese Nachricht in einer Antwort zitieren
15-07-2020, 16:19
Beitrag: #27
RE: Telenot EMZ 5106
Okay, Heart lichen Dank den Herren für den informativen Exkurs.

Arrow Alarmforum = Geballtes Profi-Wissen zum kostenfreien Abgreifen Smile
Alle Beiträge dieses Benutzers finden
Diese Nachricht in einer Antwort zitieren
15-07-2020, 17:11
Beitrag: #28
RE: Telenot EMZ 5106
(15-07-2020 16:19)Martina H. schrieb:  Okay, Heart lichen Dank den Herren für den informativen Exkurs.

Arrow Alarmforum = Geballtes Profi-Wissen zum kostenfreien Abgreifen Smile

Immer gerne Shy

Viele Fehler sind RTFM Fehler - Read The Fucking Manual
Telenot, Daitem, UTC, Hikvision AxPro, Lupus, AVS
www.peteralarm.de
Webseite des Benutzers besuchen Alle Beiträge dieses Benutzers finden
Diese Nachricht in einer Antwort zitieren
27-07-2020, 09:04
Beitrag: #29
RE: Telenot EMZ 5106
Hallo,
ich bin zwar nicht verzweifelt, aber von dem Fehler genervt. Richtig, ich habe die Ursache immer noch nicht gefunden. Das hängt auch mit der Verdrahtung zusammen, welche zum größten Teil unter Putz liegt oder im Kriechkeller verläuft. Immerhin konnte ich innerhalb der betroffenen Linie zumindest ungefähr die Hälfte der MKs ausschließen. Dann ist zu meinem Ärger zwischendurch der Fehler wieder verschwunden und das Ohmmeter zeigt einen Linienwiderstand von unschuldigen 10 kOhm.
Ich bitte noch einmal um Nachhilfe: Nach den Unterlagen zur Alarmanlage sind einige MKs zweiadrig eingeschleift. Dann gibt es die Variante, dass die MKs zweiadrig hin und zweiadrig zurück geschaltet sind. Warum hat man so etwas gemacht?
Anbei die mir zur Verfügung stehenden Unterlagen, welche ich in der EMZ gefunden habe. Entschuldigt bitte die Qualität, aber vor über 20 Jahren hat man es wohl so gemachtDodgy

   

Herzlichen Dank im Voraus.
Alle Beiträge dieses Benutzers finden
Diese Nachricht in einer Antwort zitieren
27-07-2020, 09:56
Beitrag: #30
RE: Telenot EMZ 5106
Vieradrige MK werden in der sogenannten Z-Verdrahtung angeschlossen. Dadurch wird die Wahrscheinlichkeit, dass eine Störung oder eine Sabotage unerkannt bleibt, wie z.B. durch einen ins Kabel geschlagenen Nagel, verringert.

Auf zwei Adern liegt der eigentliche MK, zwei Adern sind einfach nur durchverbunden.
Alle Beiträge dieses Benutzers finden
Diese Nachricht in einer Antwort zitieren
27-07-2020, 10:18
Beitrag: #31
RE: Telenot EMZ 5106
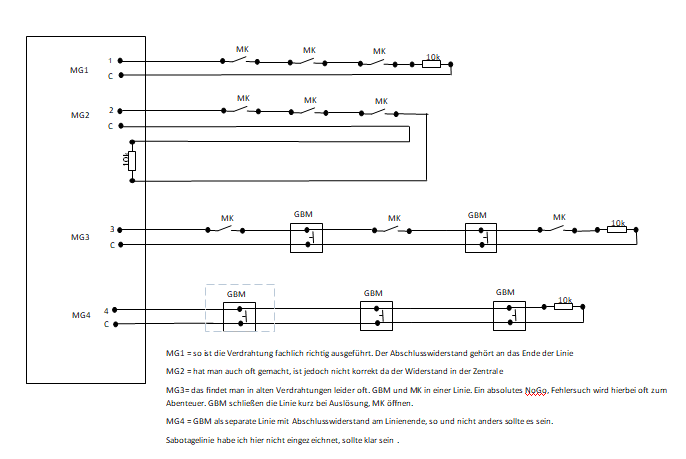
Hallo Voxlump,
ich habe dir mal ein paar Beispiele von Verdrahtungen angefügt. Hoffe das bringt dich weiter.
Im Beispiel MG3 findest du eine Verdrahtung, wie sie früher sehr oft gemacht wurde. Funktioniert zwar, ist aber ein absolutes NoGo. Die Fehlersuche kann hierbei zu einem unüberschaubaren Abenteuer werden. Auch ein GBM kann im Fehlerfall Widerstandswerte von als Beispiel 10k bis in den Bereich von 100k oder mehr, ganz undefiniert annehmen. Wenn dann, wie bei dir der Fehler nur sporadisch auftritt, dann suchst du dir nen Wolf Confused
Deshalb ist eine klare und eindeutige definition von Meldegruppen und Meldern so wichtig, ebenso die Dokumentation dazu. Habe ich meinen Azubis bis zum umfallen gepredigt Cool
Die Sabotagelinie habe ich in meinem Beispiel weggelassen, das hat 5624 ja schon erklärt. Der Widerstand käme in deinem Beispiel an die Drähte "zurück"
Bei der Verdrahtung, welche im Kriechkeller verläuft, solltest du darauf achten, das kein Mäuschen an den Leitungen genagt hat - könnte auch mit deinem Fehlerbild zusammenpassen Dodgy


Angehängte Datei(en) Thumbnail(s)
   

Viele Fehler sind RTFM Fehler - Read The Fucking Manual
Telenot, Daitem, UTC, Hikvision AxPro, Lupus, AVS
www.peteralarm.de
Webseite des Benutzers besuchen Alle Beiträge dieses Benutzers finden
Diese Nachricht in einer Antwort zitieren
27-07-2020, 21:07
Beitrag: #32
RE: Telenot EMZ 5106
Hallo peteralarm,
vielen Dank für die Beispiel-Verdrahtungen, manches wird mir jetzt klarer. Die betroffenen Linie scheint allerdings dem Verdrahtungsbeispiel MG2 zu entsprechenSmile. Der Linienwiderstand hängt in der Zentrale. Andere Linien, welche intakt sind, haben anscheinend MK und GB in Reihe geschaltet, entsprechend MG3Confused. Dieses hängt wahrscheinlich mit Nachrüstungen zusammen.
Ich habe übrigens den Linienwiderstand als erstes mal gewechselt, der war aber wohl ok.
Also weiter suchen. Wie sieht überhaupt eine ordentliche analoge Verdrahtung in der Zentrale aus? ist das immmer so ein wilder Drahtverhau?
Ich habe in der Zentrale neben Lötverbindungen, isoliert mit Schrumpfschlauch auch Lötverbindungen mit Isolierschlauch umgeben und abgeknickt vorgefunden. Daneben gab es ein paar Wago-Klemmen, die mir aber überhaupt nicht gefallen. Wie wird es normalerweise gemacht?
Wer mal ein Bild einer ordentlichen Verdrahtung hat, könnte es mir mal zu meiner Erbauung postenSmile.
Danke fürs Helfen

V.
Alle Beiträge dieses Benutzers finden
Diese Nachricht in einer Antwort zitieren
27-07-2020, 21:17
Beitrag: #33
RE: Telenot EMZ 5106
Bitteschön Wink


Angehängte Datei(en) Thumbnail(s)
   

Viele Fehler sind RTFM Fehler - Read The Fucking Manual
Telenot, Daitem, UTC, Hikvision AxPro, Lupus, AVS
www.peteralarm.de
Webseite des Benutzers besuchen Alle Beiträge dieses Benutzers finden
Diese Nachricht in einer Antwort zitieren
27-07-2020, 21:46
Beitrag: #34
RE: Telenot EMZ 5106
Hallo peteralarm,
vielen Dank für die ordentliche Verdrahtung. Ich habe gerade mal ein aktuelles Bild meiner EMZ gemacht, damit man sieht, womit ich kämpfe.

   
Alle Beiträge dieses Benutzers finden
Diese Nachricht in einer Antwort zitieren
27-07-2020, 22:04
Beitrag: #35
RE: Telenot EMZ 5106
Ja, das kenne ich... am Ende wundern sich die Kunden, wenn eine Menge Arbeitsstunden für die Fehlersuche zusammenkommen, aber das merkst du ja jetzt selbst, wie zeitaufwändig das ist.
Wie sage ich immer? Sieht aus wie der Blick in einen Teller Spaghetti...

Viele Fehler sind RTFM Fehler - Read The Fucking Manual
Telenot, Daitem, UTC, Hikvision AxPro, Lupus, AVS
www.peteralarm.de
Webseite des Benutzers besuchen Alle Beiträge dieses Benutzers finden
Diese Nachricht in einer Antwort zitieren
27-07-2020, 22:15
Beitrag: #36
RE: Telenot EMZ 5106
@ Voxlump: Du hättest ja noch Platz für ein paar LSA(+)-Leisten (für Schraubmontage) Lightbulb. Dann kann man auch eine passende Dokumentation machen und mit dem Zurechtfinden klappt es dann auch besser.

Arrow Passend hierzu gibt es Prüf-/Trennstecker, so dass Du auch die Fehlersuche vereinfachst.

Ich habe mir vor die Zentrale einen Rangierverteiler gesetzt Wink , so dass in der Zentrale selbst "Ordnung herrscht". Natürlich Sabotageüberwacht ...
Alle Beiträge dieses Benutzers finden
Diese Nachricht in einer Antwort zitieren
04-08-2020, 19:55
Beitrag: #37
RE: Telenot EMZ 5106
Noch ein Hinweis zur Z-Verdrahtung: Hier war es durchaus auch üblich, vom letzten Melder wieder zur Zentrale, bzw. HVT zurückzufahren, um den Widerstand dort einzusetzen.
HVT mit 520DA LSA+ waren damals keine Seltenheit...Blush


Angehängte Datei(en) Thumbnail(s)
   

Jeder Fehler findet einen, der so dumm ist, ihn zu begehen (Frei nach Murphy)
Alle Beiträge dieses Benutzers finden
Diese Nachricht in einer Antwort zitieren
04-08-2020, 20:51
Beitrag: #38
RE: Telenot EMZ 5106
(04-08-2020 19:55)Zetfas1000 schrieb:  Noch ein Hinweis zur Z-Verdrahtung: Hier war es durchaus auch üblich, vom letzten Melder wieder zur Zentrale, bzw. HVT zurückzufahren, um den Widerstand dort einzusetzen.
HVT mit 520DA LSA+ waren damals keine Seltenheit...Blush

Auch in deiner Abbildung ist klar zu sehen, der Abschlusswiderstand gehört an das Ende der Linie, im letzten Verteiler. Nicht! in die Zentrale.

Viele Fehler sind RTFM Fehler - Read The Fucking Manual
Telenot, Daitem, UTC, Hikvision AxPro, Lupus, AVS
www.peteralarm.de
Webseite des Benutzers besuchen Alle Beiträge dieses Benutzers finden
Diese Nachricht in einer Antwort zitieren
05-08-2020, 18:15
Beitrag: #39
RE: Telenot EMZ 5106
Anschluss 3 und 4 wurden i.d.R. über ein freies Adernpaar zum HVT zurückgeführt, dort wurde der Widerstand dann aufgetackert. War in den 90ern so üblich, daher findest Du heute auch noch Widerstände in der Zentrale/HVT. Kannst ,mir glauben, ich habe zu dieser Zeit schon VdS Anlagen gebaut, und bei Z-Verdrahtung auch zulässig!

Jeder Fehler findet einen, der so dumm ist, ihn zu begehen (Frei nach Murphy)
Alle Beiträge dieses Benutzers finden
Diese Nachricht in einer Antwort zitieren
05-08-2020, 19:10
Beitrag: #40
RE: Telenot EMZ 5106
Kannst mir glauben, ich mache das auch schon lange genug und was da so in dieser Zeit an "Anlagen" gebaut wurde... da kenne ich fast nur "Wildwest Verdrahtung" Sauber aufgebaute Anlagen aus dieser Zeit sind seltener zu finden, da viele von Elektrikern gebaut wurden, welche oftmals mit dem Auszählen von IYStY schon überfordert waren.
Was habe ich da schon alles gefunden.... solange Widerstände parallel geschaltet, bis die Zentrale endlich ruhe gegeben hat... einfach nur zusammengedreht, noch nicht mal verlötet. - nur so als Beispiel. Siehe Anhang.... und das war eine UTC VdS Anlage (angeblich, laut Kundenaussage)
Trotzdem gehört der Abschlußwiderstand an das Ende der Linie und nicht in die Zentrale. Der heist ja nicht umsonst EOL End of Line. Blush und End of Line ist nunmal hinter dem letzten Melder.


Angehängte Datei(en) Thumbnail(s)
   

Viele Fehler sind RTFM Fehler - Read The Fucking Manual
Telenot, Daitem, UTC, Hikvision AxPro, Lupus, AVS
www.peteralarm.de
Webseite des Benutzers besuchen Alle Beiträge dieses Benutzers finden
Diese Nachricht in einer Antwort zitieren
Antwort schreiben 


Möglicherweise verwandte Themen...
Thema: Verfasser Antworten: Ansichten: Letzter Beitrag
  Funk-EMZ 7710 diet59 3 1.101 02-11-2024 16:33
Letzter Beitrag: diet59
  EMZ 7308B mit Vernebler koppeln andree64 11 2.282 04-03-2024 12:28
Letzter Beitrag: andree64
  Easy 200 H Zentrale nach Firmwareupdate falsche EMZ als Typ telenot2023 9 2.652 03-10-2023 12:05
Letzter Beitrag: telenot2023
  [geteilt] SV-Störung / 5106 Andreas M. 5 2.968 08-01-2023 13:35
Letzter Beitrag: Andreas M.
  Telenot 5106, Summer summt ohne Anlass counciler 28 8.050 30-12-2022 21:23
Letzter Beitrag: Ja_ich
  EMZ 5106 und comlinex 1516 GSM Dekoschm 9 5.664 06-07-2022 09:58
Letzter Beitrag: peteralarm
  EMZ 7316-2B - neue Haustür HannoP 17 10.361 22-02-2022 22:38
Letzter Beitrag: HannoP
  Telenot 5106 Mikroschalter Verschluss defekt counciler 5 4.538 08-02-2022 21:05
Letzter Beitrag: complex400
  Codeeingabegerät für Telenot EMZ 5106 Oha-48 10 5.054 22-12-2021 14:57
Letzter Beitrag: angos_
  Signalton (Türgong) beim Öffnen von Magnetkontakt bei unscharfer EMZ Sneerius 8 7.333 09-03-2020 14:55
Letzter Beitrag: peteralarm



Benutzer, die gerade dieses Thema anschauen: