|
Neuling und Terxon MX
|
|
31-08-2016, 11:26
Beitrag: #21
|
|||
|
|||
|
RE: Neuling und Terxon MX
Hallo
Ich habe leider keine Erfahrung mit Feuermeldern an der MX aber generell ist es möglich, eine Zone als Feuer(FE) oder Brandmelder(BM) zu definieren. Diese würde dann immer beim Auslösen des Feuermelders Alarm ausgeben, unabhängig ob die Anlage scharf ist oder nicht. In der Installationsanleitung steht, dass bei FE und BM die Alarmierung über die Aussensirene(gepulst) und über den Summer im Bedienteil erfolgt. Zusätzlich könnte man einen der Relaisausgänge(81,82) oder den Transistorausgang(83) auf Feuer(34) stellen, dann dürfte der Ausgang bei Feuer ebenfalls schalten um eine Innensirene zu aktivieren. Es ist aber nicht notwendig, dafür eine zusätzliche Innensirene zu spendieren, man kann genauso eine gemeinsame Innensirene für Einbruch und Feuer verwenden. Dies erreicht man, indem man die Ausgänge parallel schaltet und man sie nach Masse schalten lässt, man erreicht dann eine Oder-Verknüpfung dh. die Sirene wird bei Feuer oder Einbruch aktiv. mfg Sektionschef Abus Terxon SX+SG1800+BW8010+Monacor AS362 Jablotron Oasis80(JA-84)+JA-83M+JA-83P+JA-80PB+JA-81F+JA-80L Instar IN-5907HD |
|||
|
06-09-2016, 12:48
Beitrag: #22
|
|||
|
|||
|
RE: Neuling und Terxon MX
Hallo Sektionschef,
ich habe gestern die Außensirene montiert. Als ich die Bedienungsanleitung gelesen habe von der Sirene , hat sich mein Magen gleich wieder verkrampft, aber das ist eine andere Geschichte..... Ich hab sie verdrahtet und mit der Batterie bestückt, Alarmanlage komplett stromlos gemacht, angeschlossen nachdem Schema auf dem Bild. Ich kann nicht einmal sagen ob das so in Ordnung ist oder nicht, ich weiß nur, dass die LED im Gehäuse nicht mehr blinkt sondern leuchtet. Es war gestern leider schon zu spät für einen Sirenentest, und im Moment kommen wir auch noch gut mit den neuen Nachbarn aus ![]() Ich bin anscheinend zu doof das ich diese Alarmanlagenschalterei verstehe, bzw. fähig bin die Anleitung von Abus richtig zu deuten. Wegen der zusätzlichen Sirene,... ich habe mein Büro im Keller, meist geschlossene Türen bis dorthin, da höre ich die Außensirene nicht, deswegen dort die zusätzliche Sirene (im Keller) und mein weiterer Gedanke war das ich noch eine im Erdgeschoß verbau damit ich das in der Nacht auch höre, weil die SG1800 ist genau auf der anderen Seite (Straßenseitig) vom Schlafzimmer montiert und die Schlafzimmerfenster nicht immer offen, und der Summer.... ja der ist nett. Deswegen war auch der Gedanke mit einer weiteren Innensirene, aber da ich ja im Grunde nicht weiß wie da was schaltet, wird da nur ein Kontakt geschlossen oder ein kommt da ein Signal,... ist halt schwer das ganze. mfg druxx |
|||
|
06-09-2016, 18:38
Beitrag: #23
|
|||
|
|||
|
RE: Neuling und Terxon MX
Hallo
Es ist schon mal gut, wenn die Power-LED der Sirene nicht blinkt sondern permanent leuchtet. Blinken bedeutet Störung, Dauerleuchten bedeutet, dass keine Störung vorliegt und die Sirene mit Spannung versorgt wird. Dann: Du hast doch eine Terxon MX Zentrale, hast aber den Verdrahtungsplan der SX angehängt. Die Verdrahtungspläne sind leicht unterschiedlich. Generell ist es so, dass die MX für die Sirene 2 Schaltausgänge verwendet. Einen Relaisausgang(C1 von Op1) für die Sirene und einen Transistorausgang(Op3) für den Blitz. Beide Ausgänge machen das gleiche, sie schalten im Alarmfall den Ausgang gegen 0V. Theoretisch könnte man auch Blitz und Sirene gleichzeitig mit nur einem Ausgang aktivieren, jedoch will man ja im Alarmfall, dass die Sirene nach einiger Zeit wieder ausgeht aber das Blitzlicht weiter an bleibt. Solltest Du also nach dem SX Verdrahtungsplan verdrahtet haben, dann wird das der Grund sein warum die Sirene nicht tut. mfg Sektionschef Abus Terxon SX+SG1800+BW8010+Monacor AS362 Jablotron Oasis80(JA-84)+JA-83M+JA-83P+JA-80PB+JA-81F+JA-80L Instar IN-5907HD |
|||
|
07-09-2016, 08:53
Beitrag: #24
|
|||
|
|||
|
RE: Neuling und Terxon MX
Hallo,
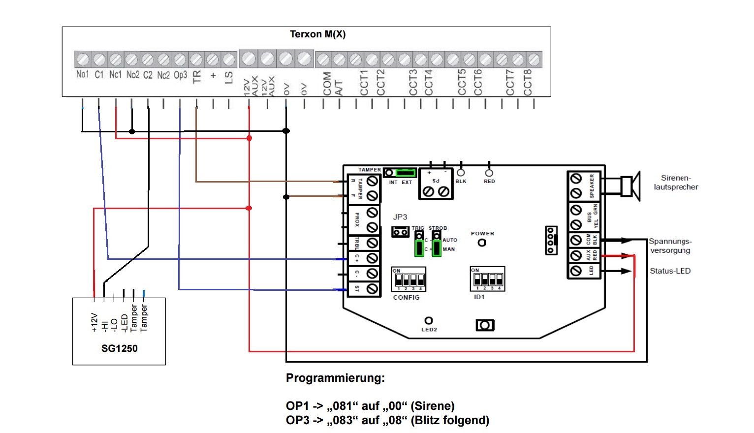
danke für deine Antwort. Also,... der Tipp mit "Geheule hör tauf Lichtblitz geht weiter"... ist schon mal gut. Das es nicht geht hab ich nicht gesagt, ich muss mir das anschauen wie ich das bei der MX jetzt drangehängt habe. Die Schalter der sirene habe ich so gelassen wie sie waren, alle auf off, da mir das so richtig erschien wie ich die Bedienungsanleitung gelesen habe. Die Steckbrücken: TAMPER: INT-EXT hab ich auf EXT STROB: AUTO-MAN hab ich auf Auto TRIG: C- C+ hab ich auf C+ werde es jetzt mal so "verdrahten" wie auf dem Bild was ich angehängt habe. Wenn ich das richtig sehe, dann wird auf Kontakt No1 Minus gelegt und wenn was ist dann macht das Relai zu und auf C1 weitergeschalten? No1 = normaly open? Nc1 = normaly closed? LG Druxx |
|||
|
07-09-2016, 12:47
Beitrag: #25
|
|||
|
|||
RE: Neuling und Terxon MX
(07-09-2016 08:53)druxx schrieb: TAMPER: INT-EXT hab ich auf EXTSTROB sollte auf MAN stehen, sonst wird der Blitz nicht separat sondern mit der Sirene angesteuert. Alles andere passt. (07-09-2016 08:53)druxx schrieb: Wenn ich das richtig sehe, dann wird auf Kontakt No1 Minus gelegt und wenn was ist dann macht das Relai zu und auf C1 weitergeschalten?Genau. Im Normalfall wird +12V auf C+ gelegt, weil Nc1 mit C1 verbunden ist. Im Alarmfall schaltet das Relais, trennt Nc1 von C1 und verbindet No1 mit C1. C1 sinkt von 12V auf 0V wodurch die Sirene aktiviert wird. Ähnliches passiert auch mit Transistorausgang Op3. Im Normalfall liefert dieser Ausgang über einen internen pull-up Widerstand +12V und im Alarmfall schaltet er intern auf 0V und der Blitz wird aktiviert. mfg Sektionschef Abus Terxon SX+SG1800+BW8010+Monacor AS362 Jablotron Oasis80(JA-84)+JA-83M+JA-83P+JA-80PB+JA-81F+JA-80L Instar IN-5907HD |
|||
|
07-09-2016, 13:13
Beitrag: #26
|
|||
|
|||
|
RE: Neuling und Terxon MX
Super danke!
das hilft ungeheuerlich weiter ![]() Ohne das Forum hier wär ich echt aufgeschmissen, erleichtert einiges, Zeit um mal ein richtig fettes Danke in die Runde zu hauen Kann ich jetzt den Deckel der Sirene öffnen ohne das diese losgeht? Ist es normal das ich das Blechstück des Kontaktschalters hochbiegen muss damit er klickt? mfg Druxx |
|||
|
07-09-2016, 15:10
Beitrag: #27
|
|||
|
|||
RE: Neuling und Terxon MX
(07-09-2016 13:13)druxx schrieb: Kann ich jetzt den Deckel der Sirene öffnen ohne das diese losgeht?Vorher die Zentrale in den Programmiermodus bringen, sonst würde durch das Öffnen des Deckels ein Sabotagealarm erkannt und die Sirene aktiviert werden. Ist eigentlich nicht normal, das Blechstück hochbiegen zu müssen. Liegt das Gehäuse der Sirene vollständig an der Hausmauer an oder gibt es wo einen Spalt? mfg Sektionschef Abus Terxon SX+SG1800+BW8010+Monacor AS362 Jablotron Oasis80(JA-84)+JA-83M+JA-83P+JA-80PB+JA-81F+JA-80L Instar IN-5907HD |
|||
|
07-09-2016, 21:37
Beitrag: #28
|
|||
|
|||
|
RE: Neuling und Terxon MX
Hallo,
Also jetzt dürfte es funzen. Was nicht gut war... die SG1250 hab ich parallel gehängt zur Sirene wie mir geschrieben wurde. Jetzt hab ich aber bei der SG1250 nur +12V angeschlossen und -H hab ich an den C1 Anschluß geklemmt. Wenn der Alarm losgangen ist, hat die Sirene nicht geschalten weil sie über die SG1250 Leiotung von -H mit 12V versorgt wurde. Im Moment ist es so das die Sirene nicht einmal den 0V Anschluß braucht, sobald die 12V weg sind geht sie los. So die SG1250 braucht aber 0V damit sie angeht. Hab sie im Moment an den C2 Anschluß geklemmt und N02 an 0V Was auch noch ist, Alarm wird nur ausgelöst wenn ich die Zone A aktiviere. Ich hoffe es ist verständlich was ich geschrieben habe. MfG Druxx |
|||
|
08-09-2016, 07:25
Beitrag: #29
|
|||
|
|||
|
RE: Neuling und Terxon MX
Hallo
Eigentlich sollte es wirklich funktionieren, wenn du die SG1250 mit dem selben Schaltausgang(C1) betreibst wie die SG1800. Einziger Unterschied zwischen C1 und C2 in deinem Fall ist, dass im Ruhezustand die SG1250 an -Hi ständig +12V zugeführt bekommt, was aber trotzdem nicht stören sollte. Kontrolliere nochmals die Verkabelung der SG1250: +12V AUX von der Zentrale sollten auf den +12V Anschluss der SG1250 gehen C1 der Zentrale auf -Hi der SG1250. Wenn du mit einem Multimeter dann zwischen +12V und -Hi an der SG1250 misst, solltest Du im Ruhezustand 0V messen und im Alarmfall, wenn die SG1800 angeht, solltest Du dort +12V messen. Und dann sollte auch die SG1250 losheulen. Wenn Du dort dann nicht +12V misst, dann kontrolliere, ob an No1 auch wirklich 0V angeschlossen sind. Wenn du dir die Messerei ersparen und die SG1250 an C2 belassen willst, dann solltest du Einstellung 082 kontrollieren(=Verhalten Relaisausgang2). Die steht wahrscheinlich auf Wert 02(Aktiv folgend) und solltest Du auf Wert 00(Sirene) ändern. mfg Sektionschef Abus Terxon SX+SG1800+BW8010+Monacor AS362 Jablotron Oasis80(JA-84)+JA-83M+JA-83P+JA-80PB+JA-81F+JA-80L Instar IN-5907HD |
|||
|
08-09-2016, 08:51
Beitrag: #30
|
|||
|
|||
|
RE: Neuling und Terxon MX
Guten Morgen,
Ich habe einen Plan gezeichnet wie es im Moment ist. Noch dazu kommt wie sich aus dem Gespräch mit einem Kollegen ergeben hat, dass ich nur auf der Zone C (Nur Erdgeschoß) gestestet habe, da Tochter und Frau im ersten Stock waren. Und heute hab ich gesehen das die Zone C auf still war und nur Bedienelement gesetzt ist ( Ich arbeit hauptsächlich über den Downloader) Auf Zone A funktioniert es glaub ich, ich hab die volle Zeit nicht durchlaufen lassen, haben 4 frisch gebackene Mütter in der Nachbarschaft die einen sehr überzeugend klar machen können, dass die Kinder den Nachmittagsschlaf brauchen ![]() ![]() ![]() ![]() Die Sirene hab ich so programmiert wie es auf dem Verkabelungsplan steht. Ich denke, es wird auch funktionert haben gestern wenn ich gleich mit der Zone A getestet hätte. MfG Druxx |
|||
|
08-09-2016, 09:13
Beitrag: #31
|
|||
|
|||
|
RE: Neuling und Terxon MX
Wie schon gesagt, wenn du die SG1250 auf C2 betreiben willst, dann sollte auch 082 auf Wert 00 gestellt werden, sodaß der Ausgang C2 ebenfalls ein Sirenenausgang wird.
mfg Sektionschef Abus Terxon SX+SG1800+BW8010+Monacor AS362 Jablotron Oasis80(JA-84)+JA-83M+JA-83P+JA-80PB+JA-81F+JA-80L Instar IN-5907HD |
|||
|
08-09-2016, 10:29
Beitrag: #32
|
|||
|
|||
|
RE: Neuling und Terxon MX
Ok,
ich werde das demnächst einmal umhängen wieder wenn ich Zeit habe und das nochmal mit der neuen Programmierung probieren. Aber im Grunde sollte die Verkabelung jetzt so passen oder? MfG Druxx |
|||
|
08-09-2016, 11:50
Beitrag: #33
|
|||
|
|||
RE: Neuling und Terxon MX
(08-09-2016 10:29)druxx schrieb: Aber im Grunde sollte die Verkabelung jetzt so passen oder?Ja, passt. mfg Sektionschef Abus Terxon SX+SG1800+BW8010+Monacor AS362 Jablotron Oasis80(JA-84)+JA-83M+JA-83P+JA-80PB+JA-81F+JA-80L Instar IN-5907HD |
|||
|
25-09-2016, 12:27
Beitrag: #34
|
|||
|
|||
|
RE: Neuling und Terxon MX
Ein nettes HALLO an Alle hier :o)
Ich fange gerade erst an die MX zu durchschauen, stelle aber auch etliche Unklarheiten fest. Ist den der Bedienungsanleitungsdownload sinnvoll, weil evt. besser beschrieben. als die Originalanleitung? Und wie habt ihr denn euren RS232 Anschluß mit dem PC verbunden? Habe das gestern mal versucht, auch einen 9 Pol_adapter auf 15 dazwischen geklemmt. doch mein Laptop erkennt .... NICHTS :o( Oder ist für WIN 10 die Software nicht tauglich? Na ich werde bestimmt noch viele Fragen hier haben, bin aber noch immer davon überzeugt, Drahttechnik ist besser denn Funktechnik. |
|||
|
19-10-2016, 08:26
Beitrag: #35
|
|||
|
|||
|
RE: Neuling und Terxon MX
Hallo M.Terxon
1. Die Anleitung ist Schrott, komplett wirr geschrieben und schlecht übersetzt. Du wirst nicht drum herumkommen das du dich hinsetzt mit deinen Teilen und dir alles zig mal anschaust mit der Bedienungsanleitung. Guter Tipp noch, zieh es auf einmal durch und mach nicht paar Tage Pause und dann weiter, und DOKUMENTIEREN WAS WO UND WIE ! 2.Der RS232 ist der serielle Anschluß, hab mir da einen USB to RS232 ADapter besorgt, Nullmodemkabel fertig. Wenn du noch eine RS232 Schnittstelle hast am Laptop dann brauchst dich nur mit einem Nullmodemkabel dranhängen. Dein Laptop wird auch nix erkennen bei der seriellen Schnittstelle, das ist noch eine URSchnittstelle und kein USB XD BRauchen wirst auch noch die Software, PW sollte bekannt sein. Das Wichtigste allerdings ist... du musst am Terminal unbedingt in den PC Modus gehen... ohne das du das machst wird das nix. 3.Bin ich auch der Meinung, nur alle haben halt nicht die Möglichkeit mit Draht nachzurüsten ![]() MfG druxx |
|||
|
20-10-2016, 16:40
Beitrag: #36
|
|||
|
|||
|
RE: Neuling und Terxon MX
> ... RS232 Anschluß mit dem PC ...
Aloha, M.Terxon & Druxx, schaut Euch die DOKU_3.pdf bitte an. Leider weicht der Anschluß R232 bei der Terxon Familie etwas ab. Gruß Manfred |
|||
|
01-06-2017, 10:10
Beitrag: #37
|
|||
|
|||
|
RE: Neuling und Terxon MX
Hallo,
danke aber bei mir funktioniert es doch eh. Hab nur letztens wieder was gemerkt. Feueralarm wurde durch Handwerker ausgelöst, Alarmierung aber nur die Bedienteile. Ich habe aber im Haus eine Innensirene SG1250 die da mitanspringen sollte. Ob es Sinn macht im Brandfall die Hauptsirene mitzuschalten weiß ich nicht... Ist es jetzt möglich im Brandfall die Innensirene mitzuschalten und die Außensirene nicht? LGD |
|||
|
25-08-2017, 21:10
Beitrag: #38
|
|||
|
|||
|
RE: Neuling und Terxon MX
Hallo @ll,
ich mal wieder Habe die Verdrahtung der Terxon "neu" (Kabel auf die richtige Länge gekürzt) gemacht und anständig eingeführt. Bin dann 4 Tage nicht richtig dazugekommen und so ist mal alles gestanden... So, und schon gehts wieder los. Es waren dann 2 Zonen bei denen die Drähte sich gelockert hatten, wurde behoben. So nun mein Sorgenkind die Innensirene SG1250 und die Außensirene SG1800. Alles in Betrieb genommen, AUX DC Störung, Sicherung getauscht mal bis morgen auf 2,5A - erledigt. Rauchmelder Zone offen - erledigt Innensirene geht nur mit Zone A ab. Außensirene tot, Batterie leer, die lade ich jetzt mal über NAcht, ansonst hol ich mir morgen eine Neue. Was jetzt aber das eigentliche Problem ist ->nach der Zeit hab ich keine Ahnung mehr wegen der Verkabelung, hab das damals eigentlich nur schnell verkabelt nach Anleitung hier und wollte es dann mal besser machen.... Dieses Dann ist jetzt. Ich verzweifel aber mit der Bedienungsanleitung, den Prog.modus meide ich, ich mach alles mit dem Laptop. Die Anforderung wären, bei Einbruch/Feuer Alarmierung durch Innensirene und Außensirene. Die Innensirene hab ich so geschalten anscheinend, das bei Alarm Minus durchgeschalten wird von C2 der Terxon. Bei der Außensirene hab ich keine Ahnung mehr wie ich was und wieso und warum. Wählgerät hab ich auch, aber das ist nicht so wichtig für den Moment. Könnte sich bitte bitte bitte bitte wer erbarmen und mit mir das Schritt für Schritt durchgehen? Ich bin echt am verzweifeln und seh mich da nicht raus. Hab auch gelesen das die SG1800 zwingend einen Akku braucht? |
|||
|
28-08-2017, 10:07
Beitrag: #39
|
|||
|
|||
|
RE: Neuling und Terxon MX
Hallo
Wie du es schon selbst erkannt hast, muss die Innensirene permanent mit +12V verbunden sein und einer der Anschlüsse -Hi oder -Lo muss im Alarmfall auf 0V gelegt werden, damit die Sirene losheult. Bei der SG1800 bist du flexibler, da gibt es separate Anschlüsse C+ und C- um die Sirene entweder mit 0V oder mit 12V anzusteuern. Der C+ Anschluss verhält sich so wie -Hi/-Lo bei der SG1250: Wenn dort 0V anliegen, heult die Sirene los. Umgekehrt arbeitet C-, der benötigt +12V damit die Sirene heult. Zusätzlich gibt es die Steckbrücke TRIG, mit der stellt man ein ob man C+ oder C- verwenden möchte. Die SG1800 hat einen separaten Anschluss für das Blitzlicht ST, dieser kann nur durch Anlegen von 0V aktiviert werden(wie C+). Alternativ kannst du aber ST auch weglassen und Steckbrücke STROB auf AUTO setzen, dann aktiviert die SG1800 den Blitz immer automatisch mit der Sirene. Würde ich aber nicht machen. Die SG1800 kann sehr wohl OHNE Akku betrieben werden, dann muss sie allerdings über die Anschlüsse PS+/PS- anstelle von AUX und COM versorgt werden und benötigt einen Versorgungsstrom von 1,6A. Den kann die Terxon MX Zentrale aber nicht liefern, somit muss dies mit einem separaten Netzteil gemacht werden. In deinem Anschlussbild fehlt noch die Verbindung vom Anschluss AUX RED der SG1800 zu 12V AUX der Zentrale, bei dieser Verdrahtung ist aber dann der Akku in der SG1800 erforderlich. Die Sicherung unbedingt wieder auf den Originalwert ändern, die ist wahrscheinlich durchgebrannt, weil der Akku der SG1800 defekt ist oder tiefentladen war. mfg Sektionschef Abus Terxon SX+SG1800+BW8010+Monacor AS362 Jablotron Oasis80(JA-84)+JA-83M+JA-83P+JA-80PB+JA-81F+JA-80L Instar IN-5907HD |
|||
|
03-09-2017, 22:00
Beitrag: #40
|
|||
|
|||
|
RE: Neuling und Terxon MX
Hallo Sektionchef,
GErade aus dem Urlaub zurückgekommen und.... Batterie ist wieder tot. Könntest du dir meinen Plan mal angesehen? Irgendwo ist der Wurm drinnen. Ich glaube der Draht von dem LED Anschluss gehört auf AUX Red? Lg Druxx |
|||
|
|
Benutzer, die gerade dieses Thema anschauen:
Suche
Mitglieder
Kalender
Hilfe






