|
4 Fragen zur Indexa 8000
|
|
21-02-2013, 09:39
Beitrag: #1
|
|||
|
|||
|
4 Fragen zur Indexa 8000
Hallo Forum,
ich habe ein paar Fragen zur Indexa 8000, mit der Hoffnung das ihr mir weiterhelfen könnt. 1. Türsummer: Wir haben eine 8000WJ mit 8000H Tastatur montiert. Die DIPS auf dem 8000WJ sind so gelegt, dass nach Eingabe des Codes normalerweise der Summer betätigt werden soll und man innen die Anlage mit entsprechender Eingangsverzögerung schalten kann. Problem, wir kriegen den Summer nicht ans Leben. Kann mir jemand sagen auf welchen Klemmen genau mal den Summer wie anschliessen muss? http://www.indexa.de/w2/download/anleitu...73_anl.pdf 2. AS14 Aussensirene Angeschlossen am EWS, Signallicht und Signalton gebrückt. Gibts eine werksseitige Möglichkeit den Ton nach 3 Minuten auszuschalten, aber das Licht weiterlaufen zu lassen!? Falls nicht, wie könnte man das realisieren? 3. iPhone App - Ist diese mittlerweile irgendwo verfügbar und funktional? 4. Telefonbenachrichtigung: Wir haben das LAN / PSTN Kommunikationsmodul, die Anlage ruft auch fleissig an wenn was ist.... und dann? Gibts eine Möglichkeit bei Anruf einen Text angesagt zu bekommen? Gibts irgendwo eine Übersicht wie man die Anlage per Telefon effektiv bedient? Also entweder wenn die Anlage das bestimmte Telefon anruft oder aber wenn man die Anlage anruft irgendwie den Status rauszubekommen? Für eure Antworten und Ideen bedanke ich mich im Voraus Gruß MaFa |
|||
|
21-02-2013, 23:03
Beitrag: #2
|
|||
|
|||
|
RE: 4 Fragen zur Indexa 8000
Hallo,
(21-02-2013 09:39)MaFa schrieb: Kann mir jemand sagen auf welchen Klemmen genau mal den Summer wie anschliessen muss? Also der Anschluss ist auf der zweiten Seite rechts richtig beschrieben. Ich denke aber das Problem liegt woanders. Die Türsummer sind sehr unterschiedlich und ich kann mir gut vorstellen, das deins zuviel Strom braucht um anzuziehen. Hatte ich auch schon einmal, da hilft nur eine eigene Stromversorgung für den Summer. Ob die Schaltung funkioniert kannst du am einfachsten mit einer kleinen 12V Lampe testen, die du an stelle des Summers anschließt. Diese sollte entsprechend leuchten. Zitat:2. AS14 Aussensirene Nein, so einfach kannst du das nicht einstellen. Die Alarmdauer wird in den Zentralen Einstellungen gewählt und da du beides paralell geschaltet hast, geht beides gleich lang an. Evtl. hat das große C ja ein Zeitrelais, das nach 3 Minuten automatisch abschaltet. Zitat: 3. iPhone App - Ist diese mittlerweile irgendwo verfügbar und funktional? Nein, ist noch nicht fertig. Zitat:4. Telefonbenachrichtigung: Reagierst du hoffentlich. ![]() Zitat: Gibts eine Möglichkeit bei Anruf einen Text angesagt zu bekommen? Nein, das V macht nur Sirenentöne Zitat:Gibts irgendwo eine Übersicht wie man die Anlage per Telefon effektiv bedient? Also entweder wenn die Anlage das bestimmte Telefon anruft oder aber wenn man die Anlage anruft irgendwie den Status rauszubekommen? Die Frage ist zu allgemein und würde bedeuten ich müsste die entsprechenden Passagen aus der Anleitung hier zitieren. WAs genau möchtest du wissen? Gruß Tim Ich habe nicht auf jede Frage die passende Antwort, aber zu jeder Antwort die passende Frage. Auch wenn es Wenige ärgert, im Zweifelsfall geht mir Information vor Rechtschreibung. |
|||
|
22-02-2013, 08:50
Beitrag: #3
|
|||
|
|||
|
RE: 4 Fragen zur Indexa 8000
Hallo,
danke für die ausführliche Antwort. 1. Also normal auf GND / ULCK wo auch schon die Aussentastatur drauf liegt!? Diese ist dort ja, soweit ich es gerade im Kopf habe, mit blau und weiß angeschlossen!? Du meinst also, einen normalen Klingeltrafo mit in den Kreis hinter dem 8000 WJ setzen!? 2. Das grosse C? Was meinst du damit? - Generell könnte ich die LEuchte ja separieren, kein Thema, nur wo dann entsprechend das akustische Signal anschliessen damit es nach 3 min aufhört!? Oder benötigen wir irgendwie was in Richtung Monolop Schaltung? 3. Mist ![]() 4. Wir haben die tolle Anleitung rauf und runtergelesen und werden daraus nicht schlauer. Lass uns einfach mal ein Beispiel versuchen, was passiert wenn die Anlage anruft und einen Alarmton signalisiert? mit welchem Code reagiert man? Wie bekommt ich den Status der ANlage heraus, wenn ich sie anrufe? Danke für eure Mühen Gruß MaFa |
|||
|
22-02-2013, 11:14
Beitrag: #4
|
|||
|
|||
|
RE: 4 Fragen zur Indexa 8000
[/quote]
(22-02-2013 08:50)MaFa schrieb: 1. Also normal auf GND / ULCK wo auch schon die Aussentastatur drauf liegt!? Nein das sind die Anschlüße für einen separaten Taster den man innen neben der Tür abbringen kann um die Tür zu öffnen. Die Anschlüße für den Summer selber sind in der Zeichnung auf der linken Seite. Zitat:Du meinst also, einen normalen Klingeltrafo mit in den Kreis hinter dem 8000 WJ setzen!? Wenn der Strom aus E+ nicht reicht muss du halt einen Trafo zusätzlich setzen und über das Relais auf den Summer schalten. Welchen Trafo du verwenden musst, hängt von deinem Summer ab. Dazu gibt es entsprechende Daten und die nimmst du als Richtlinie. Zitat:2. Das grosse C? Was meinst du damit? Conrad. Hier musst du mal schauen ob die ein entsprechendes Zeitrelais haben. Zitat:was passiert wenn die Anlage anruft und einen Alarmton signalisiert? mit welchem Code reagiert man?Wie bekommt ich den Status der ANlage heraus, wenn ich sie anrufe? Es passiert nichts. Der Alarm der Anlage läuft. Sie heult und informiert dich darüber per Anruf und wenn dein Telefonanschluß das zuläßt per Festnetz-SMS. Wenn ich mich recht erinnere, kannst du, wenn du angerufen wirst und den Sirenen Ton hörst, mit der # Taste die Anrufkette abbrechen und so verhindern das weitere Personen angerufen werden. Die Anlage läuft weiter im Alarm, solange wie die Alarmzeit eingestellt ist. Durch SMS, wenn halt möglich oder durch Anruf wie im Handbuch, bei mir im Kapitel 3 Anwenderfunktionen, beschrieben, kannst du die Anlage beeinflußen. Dann wird die Telefontastaur zur Systemtastatur und du bedienst Sie im Prinzip, wie an der echten, nur du siehst die Anzeige nicht. Bin kein Spezialist für das V Modul. Ich setzte grundsätzlich das Y Modul ein. Das ist viel kommunikativer. Gruß Tim Ich habe nicht auf jede Frage die passende Antwort, aber zu jeder Antwort die passende Frage. Auch wenn es Wenige ärgert, im Zweifelsfall geht mir Information vor Rechtschreibung. |
|||
|
24-02-2013, 10:13
Beitrag: #5
|
|||
|
|||
|
RE: 4 Fragen zur Indexa 8000
Guten Morgen in die Runde.
1. ./done, danke für den Tip. Mit einem zusätzlichen Trafo läuft der Spass jetzt. 2. Gerade entdeckt, könnte folgendes Zeitrelais ja perfekt passen: http://indexa.de/w2/details/26/zrm_1.htm Nochmal kurz zum Telefon. Funktioniert soweit mit scharfschalten ganz gut, allerdings haben wir es nicht hinbekommen die Anlage bei einem gestellten Alarm über das Telefon unscharf zu schalten. (Rechte vorhanden) Alarm löst aus --> Anruf wird abgesetzt --> Telefon klingelt --> Sirenenton ist zu hören .... und dann? Wie kann man die Anlage dann "beruhigen"? Danke Gruß MaFa |
|||
|
24-02-2013, 16:54
Beitrag: #6
|
|||
|
|||
|
RE: 4 Fragen zur Indexa 8000
Hallo,
(24-02-2013 10:13)MaFa schrieb: 2. Gerade entdeckt, könnte folgendes Zeitrelais ja perfekt passen: Hab ich noch nicht eingesetzt, sieht aber auf den ersten Blick so aus, als wenn es deine Anforderungen erfüllt. Zitat:Alarm löst aus --> Anruf wird abgesetzt --> Telefon klingelt --> Sirenenton ist zu hören .... und dann? Wie kann man die Anlage dann "beruhigen"? Erste eimal sendet das Modul dir nur eine Info. Die musst du quittieren und weitere Anrufe zu unterdrücken. Dann kannst du auf verschiednen Wege mit deinem Modul Kontakt aufnehmen. Ist in der Anleitung unter Punkt 3 und den entsprechenden Unterpunkten beschreiben. Systemtastaur, SMS und unbeantworteter Anruf, sind hier die Stichworte. Hierbei hängt viel davon ab, was dein Telefonanschluß kann. Denke daran, das "moderne" Telefonanschlüsse IP-Telefonanschlüsse sind. Diese lassen keine Steuerung per DTMF Töne zu. Frage bei deinem Netzanbieter nach, ob du solch einen Anschluß hast. Ebenfalls fragen musst, du ob dein Anschluss das Empfangen von SMS zuläßt. Gruß Tim Ich habe nicht auf jede Frage die passende Antwort, aber zu jeder Antwort die passende Frage. Auch wenn es Wenige ärgert, im Zweifelsfall geht mir Information vor Rechtschreibung. |
|||
|
25-02-2013, 01:02
Beitrag: #7
|
|||
|
|||
RE: 4 Fragen zur Indexa 8000
(24-02-2013 16:54)timbaum schrieb: Denke daran, das "moderne" Telefonanschlüsse IP-Telefonanschlüsse sind. Diese lassen keine Steuerung per DTMF Töne zu. Frage bei deinem Netzanbieter nach, ob du solch einen Anschluß hast. Wieso sollten die keine DTMF-Töne durchlassen? Dann dürfte auch kein Fax daran Funktionieren... Ist das generell so oder nur bei "speziellen" Anbietern? Ich kann mir das nicht vorstellen, da die DTMF im "Sprachband" von 300 bis 3000hz liegen, warum sollte man da Filtern? |
|||
|
25-02-2013, 01:20
Beitrag: #8
|
|||
|
|||
|
RE: 4 Fragen zur Indexa 8000
Die klassischen ISDN und analogen Anschlüsse werden in den nächsten Jahren durch NGN http://de.wikipedia.org/wiki/Next_Generation_Network erstetzt.
Wenn du heute einen "ISDN" Anschluss bei Vodafone bestellst bekommst du schon einen dieser Anschlüsse. Und über diese Anschlüsse laufen halt bestimmte liebgewordene Dienste nicht mehr. Analoge Wählgeräte können die Daten nicht mehr an die Wachzentralen übergeben und so weiter. Warum, wieso, weshalb einiges nicht mehr klappt, müssen andere dir beantworten. Bin nur ein armer Alarm- und Video-Spezialist und halte mich aus allem was die Telekomiker verbrechen raus. ![]() Wichtig ist mir, das daran gedacht wird, wenn etwas nicht funktioniert. Gruß Tim Ich habe nicht auf jede Frage die passende Antwort, aber zu jeder Antwort die passende Frage. Auch wenn es Wenige ärgert, im Zweifelsfall geht mir Information vor Rechtschreibung. |
|||
|
25-02-2013, 01:28
Beitrag: #9
|
|||
|
|||
|
RE: 4 Fragen zur Indexa 8000
Vielleicht spricht das eher gegen die Qualität der Gateways, die Vodafone für sein "ISDN" bereit stellt, vielleicht sollte man darüber mal MOS-Werte messen...
Das NGN kommt, ist klar, aber ich weiss, das es längst nicht soooo schnell kommt, es gibt ja noch nicht mal eine Zusamenschaltung zwischen den Carriern über ein N-ICAs (NGN-Interconnection-Anschluß), das steckt alles noch erst in der Erprobung |
|||
|
10-03-2013, 11:06
Beitrag: #10
|
|||
|
|||
|
RE: 4 Fragen zur Indexa 8000
Guten Morgen,
haben gestern versucht das Zeitrelais an den Start zu bekommen ... leider ohne Erfolg. http://indexa.de/w2/details/26/zrm_1.htm ... allerdings in Version 2 Kennt irgendwer das Dingen oder kann mir einen Tip geben wie das anzuklemmen ist? Wie gesagt, wir versuchen zu realisieren, dass die Sirene nur 2-3 Minuten an ist und dann aus geht. Ich meine das Stichwort dazu lautet Monoflop. Danke VG MaFa |
|||
|
10-03-2013, 11:49
Beitrag: #11
|
|||
|
|||
RE: 4 Fragen zur Indexa 8000
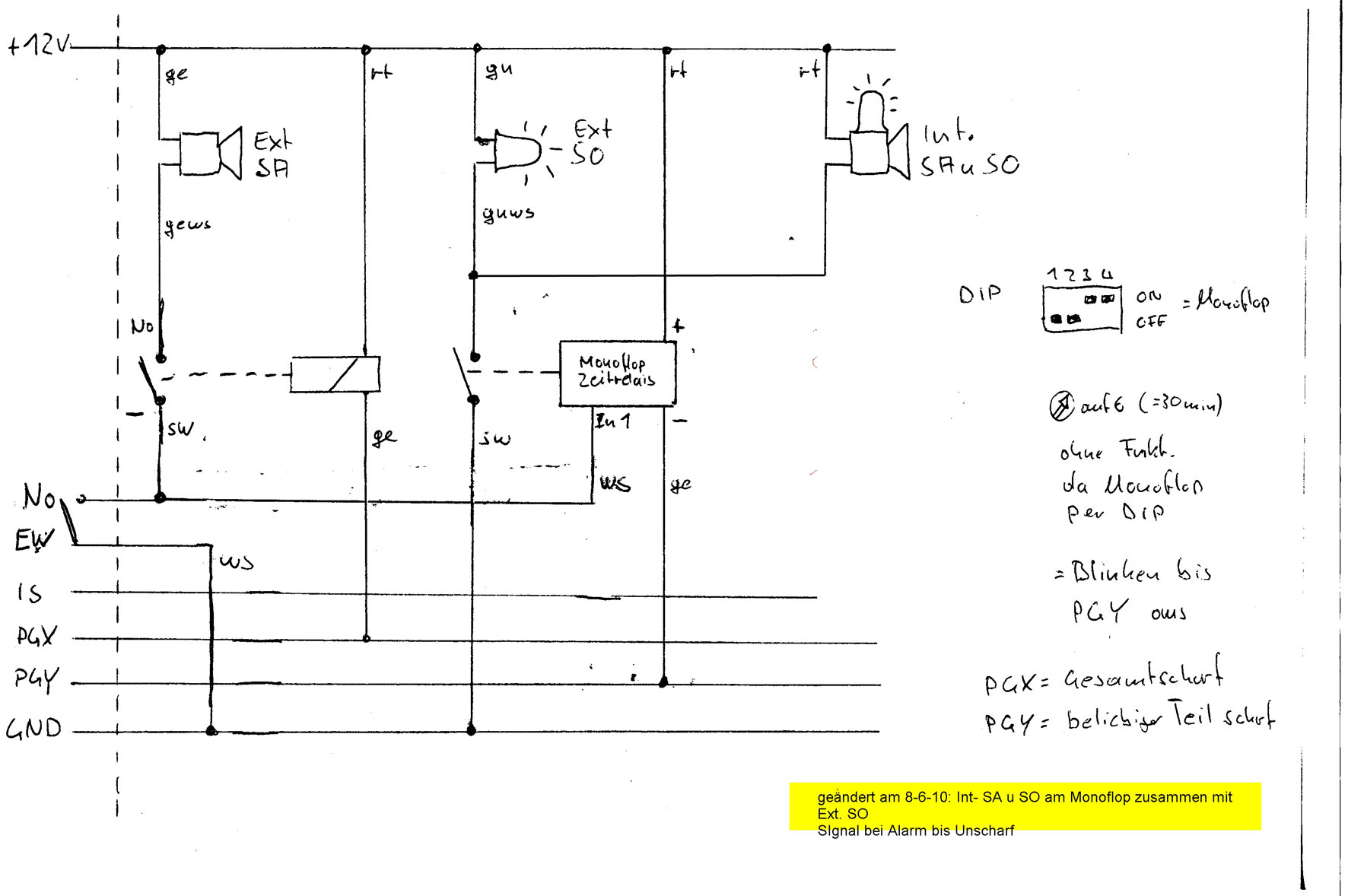
(10-03-2013 11:06)MaFa schrieb: Wie gesagt, wir versuchen zu realisieren, dass die Sirene nur 2-3 Minuten an ist und dann aus geht. SIeht aus wie mein Teil von C oder reichelt oder ELV oder was weiss ich. Ich hab das nach dem Plan unten angeschlossen, das andere Relais links ist dafür, das der Signalgeber Akustisch (SA) aussen nur angeht wen ABC scharf sind (über den PG-X Ausgang geschaltet) Die SA innen und SO (optisch) gehen immer an, bis unscharf wird (auch über den anderen PG-Y Ausgang getriggert) Genauso bleibt die Blitzleuchte SO aussen draussen an , bis unscharf. Die verkabelte Sirene Aussen SA aussen geht also nur an bei "Gesamtscharf" und zwar nur solange wie in der Anlage eingestellt. (So wie die Funksirenen auch nur) Alles andere ( verkabelte Sirenen innen und verkabelte optische Signalgeber) bleiben so lange an, bis unscharf geschaltet wird! |
|||
|
|
Benutzer, die gerade dieses Thema anschauen:
Suche
Mitglieder
Kalender
Hilfe




